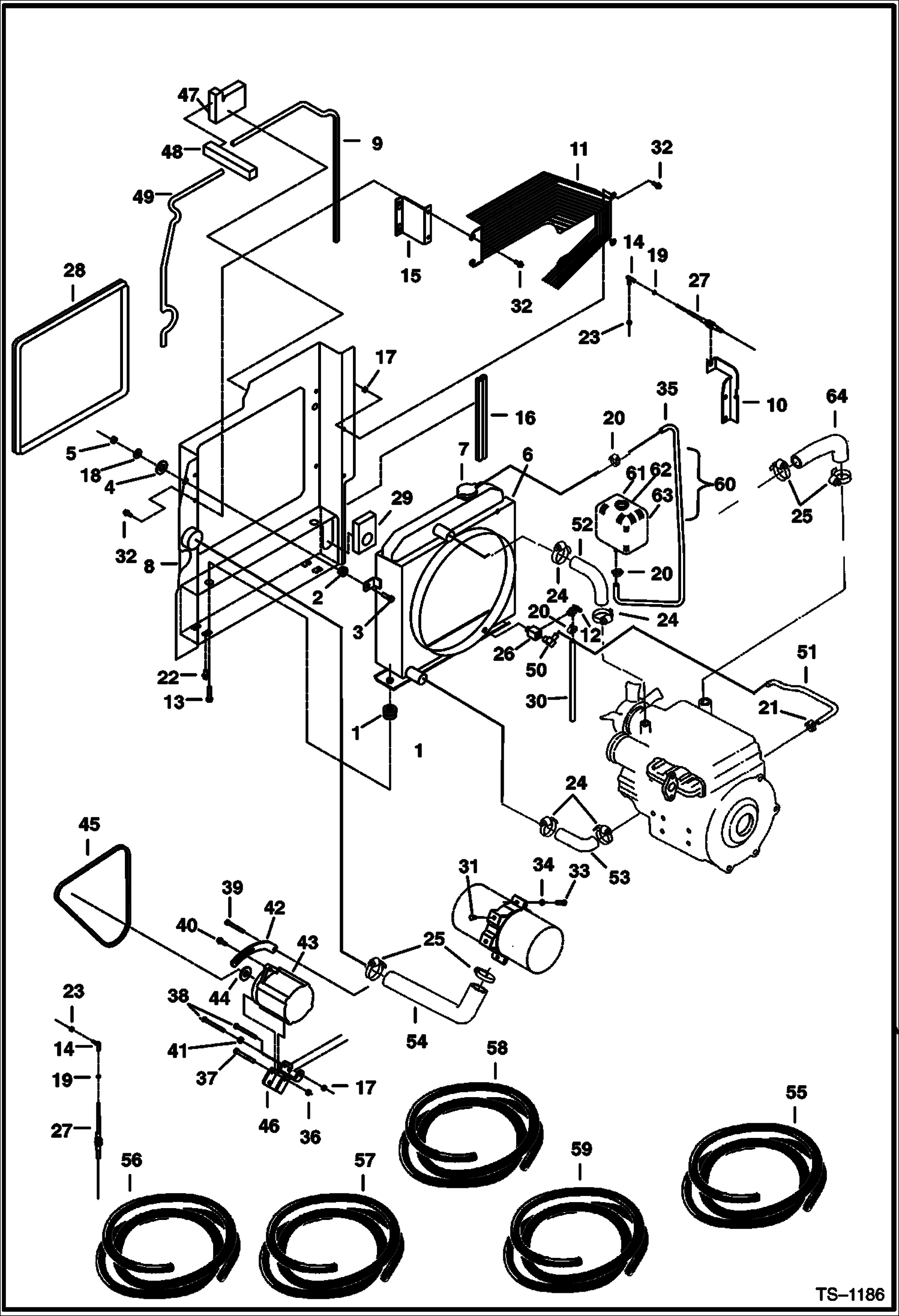
Запчасти Bobcat 331 RADIATOR, ALTERNATOR & AIR CLEANER MOUNTING POWER UNIT

Схема запчастей Bobcat 331 - RADIATOR, ALTERNATOR & AIR CLEANER MOUNTING POWER UNIT
FIT
1:1
100%

Артикул

Название

Примечание

Количество

1

6653763

MOUNT rubber

2

568276

DAMPNER rubber

3

1CM1035

BOLT

4

27E12

WASHER

5

49DM10

NUT

6

6664276

RADIATOR W/Ref. 7

7

3974310

CAP radiator

8

6588624

MOUNT radiator - Also Order Ref. 22

9

SEAL NLA - 38'' (970mm) long - Order Ref. 56

10

6539106

BRACKET speed control cable

11

6538981

GUARD fan

12

6513679

VALVE drain

13

1CM1045

BOLT

14

6644965

BALL JOINT

15

BRACKET NLA - fan guard - Order 6586547 & Ref. 32 (4) - Was 6586546 - A

15

6586547

BRACKET fan guard

16

SEAL NLA - 12'' (310 mm) long - Order Ref. 57

17

1DM8

NUT

18

17EM100

WASHER

19

14D10

NUT

20

42HS04

CLAMP, HOSE Was 6515575 - A

21

42H8

HOSE CLAMP 5

22

26GM10020

BOLT Was 29CM01020B - B

23

62D4

NUT

24

42H24

CLAMP-5

25

42H40

HOSECLAM5

26

6589254

FITTING Was 6582954 - B

27

6660293

CABLE speed control

28

SEAL NLA - 71'' (1800 mm) long - Order Ref. 58

29

6539745

INSULATION

30

HOSE NLA - 12'' (305 mm) long - Order Ref. 59

31

1CM816

BOLT

32

26GM8016

SCREW Was 29CM00820B - B

33

1CM835

BOLT

34

6EM80

WASHER, SPRING

35

HOSE NLA - 38'' (950 mm) long - Order Ref. 59

36

85D6

NUT, 5

37

1C648

BOLT

38

1CM885

BOLT

39

1CM870

BOLT

40

35C516

BOLT 10

41

6568877

WASHER

42

6579721

RETAINER

43

ALTERNATOR See Illustration ALTERNATOR/ D1760

44

25E26

WASHER

45

6657279

BELT

46

6562257

MOUNT

47

6589121

INSULATION

48

INSULATION NLA - 8'' (203 mm) long - Order Ref. 55

49

MOULDING NLA - 36'' (921mm) long - Order Ref. 56

50

6589255

ELBOW

51

6655133

HOSE

52

6655131

HOSE

53

6655132

HOSE

54

6655142

HOSE

55

6554274

INSULATION bulk - sold per foot

56

6654139

MOULDING bulk - sold per foot

57

6513152

SEAL bulk - sold per foot

58

6555351

SEAL bulk - sold per foot

59

6586251

HOSE bulk - sold per foot

60

6653972

TANK ASSY W/Refs. 61-63

61

6653974

CAP

62

6653975

GASKET

63

6653979

DECAL caution

64

6655140

HOSE air cleaner

Выбрано товаров: 65