Запчасти Bobcat 331 OIL PAN POWER UNIT

Схема запчастей Bobcat 331 - OIL PAN POWER UNIT
FIT
1:1
100%

Артикул

Название

Примечание

Количество

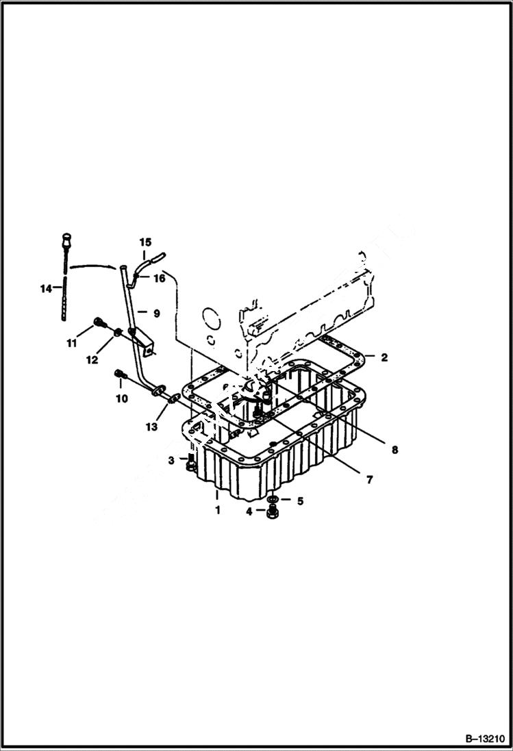
1

6655473

OIL PAN

2

6666805

GASKET See Illustration LOWER GASKET KIT/ C3254 - Included W/lower gasket kit - Was 6666805 - A

3

5CM1030

BOLT

4

3974402

PLUG Was 6652583 - A

5

6680484

GASKET See Illustration LOWER GASKET KIT/ C3254 - Was 3974403 - B

6

6655194

SCREEN, OIL

7

1CM816

BOLT Was 4CM816 - A

8

3966516

O RING See Illustration LOWER GASKET KIT/ C3254 - Included W/lower gasket kit

9

6655135

GUIDE

10

1CM616

SCREW Was 4CM616 - A

11

6653958

BOLT

12

1EM120

WASHER

13

6666774

GASKET See Illustration LOWER GASKET KIT/ C3254 - Included W/lower gasket kit - Was 6650431 - A

14

6650432

DIPSTICK

15

6692951

PIPE Was 6650433 - A

16

6654718

CLAMP Was 6650434 - A

Выбрано товаров: 16