Запчасти Bobcat 331 GEARCASE POWER UNIT

Схема запчастей Bobcat 331 - GEARCASE POWER UNIT
FIT
1:1
100%

Артикул

Название

Примечание

Количество

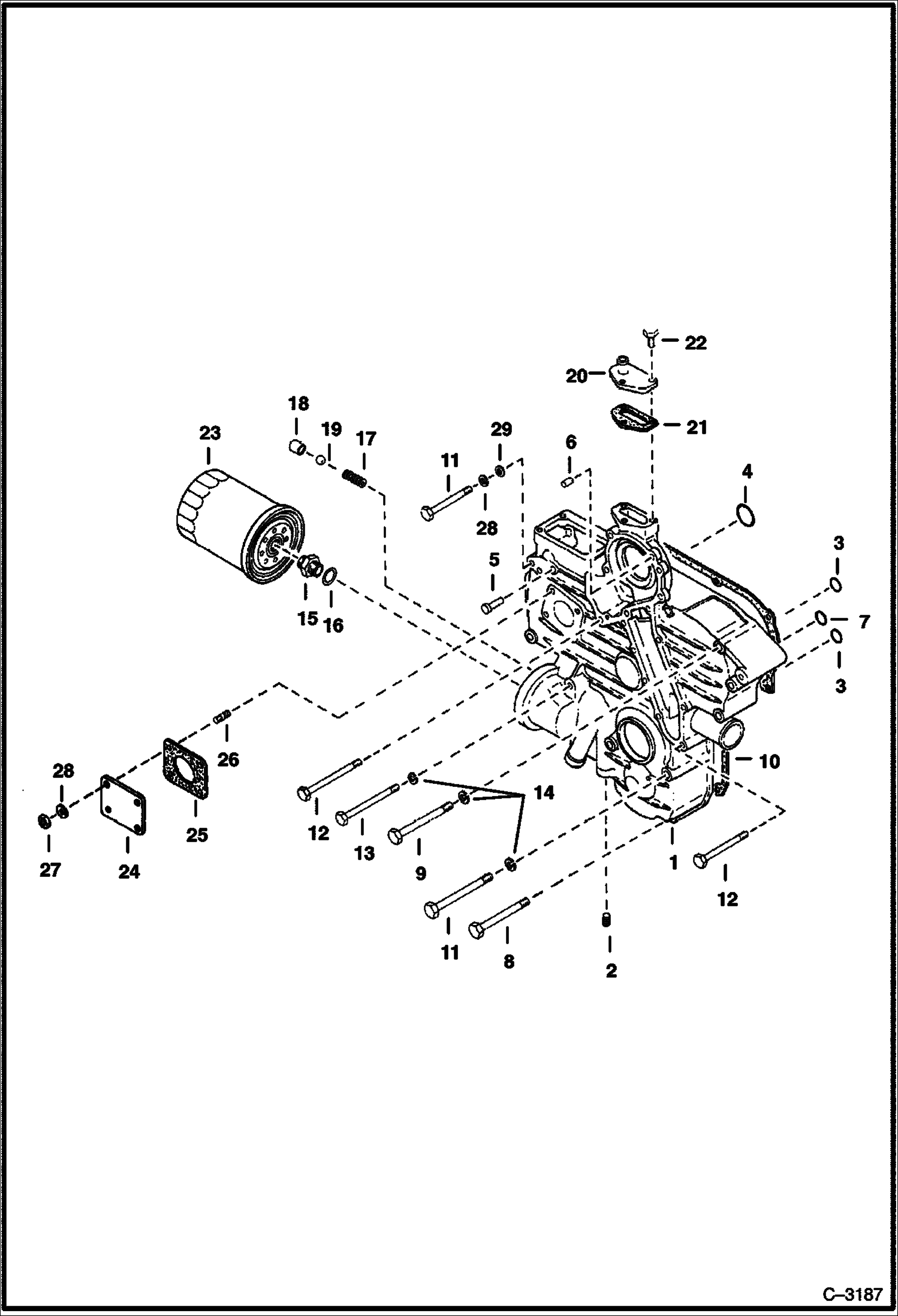
1

CASE ASSY. NLA - W/Ref. 2-7 - Order 6688640 & Ref. 3-7 - Was 6674164 - A

1

6688640

GEAR HOUSING W/Ref. 2

2

6652591

PLUG Was 6630196 - A

3

3966515

O RING See Illustration LOWER GASKET KIT/ C3254 - Included W/Lower gasket kit

4

3966530

O RING See Illustration LOWER GASKET KIT/ C3254 - Included W/Lower gasket kit

5

6652592

PIN

6

3974395

PIN

7

6655162

O-RING See Illustration LOWER GASKET KIT/ C3254 - Included W/Lower gasket kit

8

3974888

BOLT

9

1CM870

BOLT

10

6666800

GASKET See Illustration LOWER GASKET KIT/ C3254 - Included W/Lower gasket kit - Was 6655481 - A

11

1CM880

BOLT

12

6653808

BOLT

13

1CM895

BOLT

14

6EM80

WASHER, SPRING

15

6653809

CONNECTOR pipe - Was 3974891 - A

16

15EM180

WASHER

17

6652652

SPRING

18

3974893

SEAT

19

10J13

BALL

20

3974894

FLANGE

21

6666803

GASKET See Illustration LOWER GASKET KIT/ C3254 - Included W/Lower gasket kit - Was 3974895B - A

22

1CM620

BOLT Was 4CM620 - A

23

6675517

FILTER, OIL ENG 12 Was 3974896B - A

24

3974460

COVER

25

6714543

GASKET See Illustration LOWER GASKET KIT/ C3254 - Included W/Lower gasket kit - Was 6666785 - A

26

6652764

STUD Was 3974462B - A

27

1DM6

NUT

28

6EM60

WASHER, SPRING

29

1EM80

WASHER

Выбрано товаров: 30