Запчасти Bobcat 331 DECALS ACCESSORIES & OPTIONS

Схема запчастей Bobcat 331 - DECALS ACCESSORIES & OPTIONS
FIT
1:1
100%

Артикул

Название

Примечание

Количество

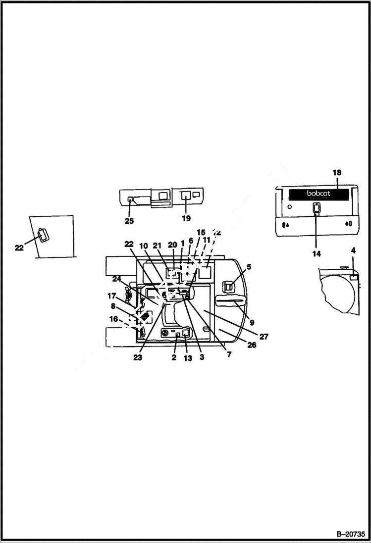
1

6589740

DECAL ISO-R.H. console - Was 6537588 - A

1

6589843

DECAL Standard R.H. console - Was 6537457 - A

2

6589741

DECAL ISO-L.H. console - Was 6537587 - A

2

6589842

DECAL Standard L.H. console - Was 6537456 - A

3

6539688

DECAL speed

4

DECAL NLA - warning - Order 6804233 - Was 6643356 - A

5

6565200

DECAL, FILTER

6

6806615

DECAL lift - Was 6589745 - A

7

6588730

DECAL light

8

6533901

DECAL controls

9

6577754

DECAL, WARNING 5 gas spring

10

6537634

DECAL

11

6587247

DECAL swing lock

12

6588716

DECAL service schedule

13

DECAL NLA - Order 6804230, 6804231, Ref. 15 & 16 - Was 6587139 - A

14

6643355

DECAL warning engine moving parts

15

DECAL NLA - warning - Order 6804230 - Was 6588380 - A

16

6539813

DECAL aux. pedal

17

6534217

DECAL boom swing

18

DECAL rear logo - Was 6588717 NLA - Rear Logo - Was 6628510 - A

19

DECAL NLA - warning - Order 6804231 - Was 6588382 - A

20

6565990

DECAL, OIL HYD 5 hydrostatic fluid fill

21

6589739

DECAL diesel - Was 6561379 - A

22

6588921

DECAL fuse

23

6589059

DECAL pre-heat

24

6804116

DECAL Two Speed Travel - Was 6801914 - A

25

6539812

DECAL aux. valve

26

DECAL NLA - warning - Order 6804232 - Was 6589697 - A

27

6707971

DECAL operators manual

Выбрано товаров: 29