Запчасти Bobcat 331 TOP GUARD (Cab or Canopy) ACCESSORIES & OPTIONS

Схема запчастей Bobcat 331 - TOP GUARD (Cab or Canopy) ACCESSORIES & OPTIONS
FIT
1:1
100%

Артикул

Название

Примечание

Количество

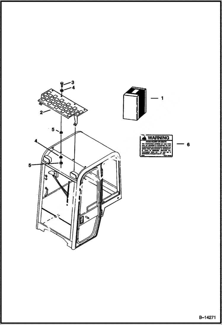
1

6595975

FOPS KIT

2

PLATE NLA - FOPS - Order Ref. 1

3

17C620

BOLT

4

25E17

WASHER 5

5

81D6

NUT

6

6596261

DECAL

Выбрано товаров: 0