Качественные детали и логистика
Оригинальные и аналоговые запчасти с доставкой по России, Казахстану и Беларуси
©2022 PartSell ООО "Система" ИНН 2463123282 ОГРН 1212400004838
Центральный офис: г. Красноярск, Академика Киренского, д.87, пом.4
Телефон: 8 (800) 777-65-74 Email: zakaz@partsell.ru
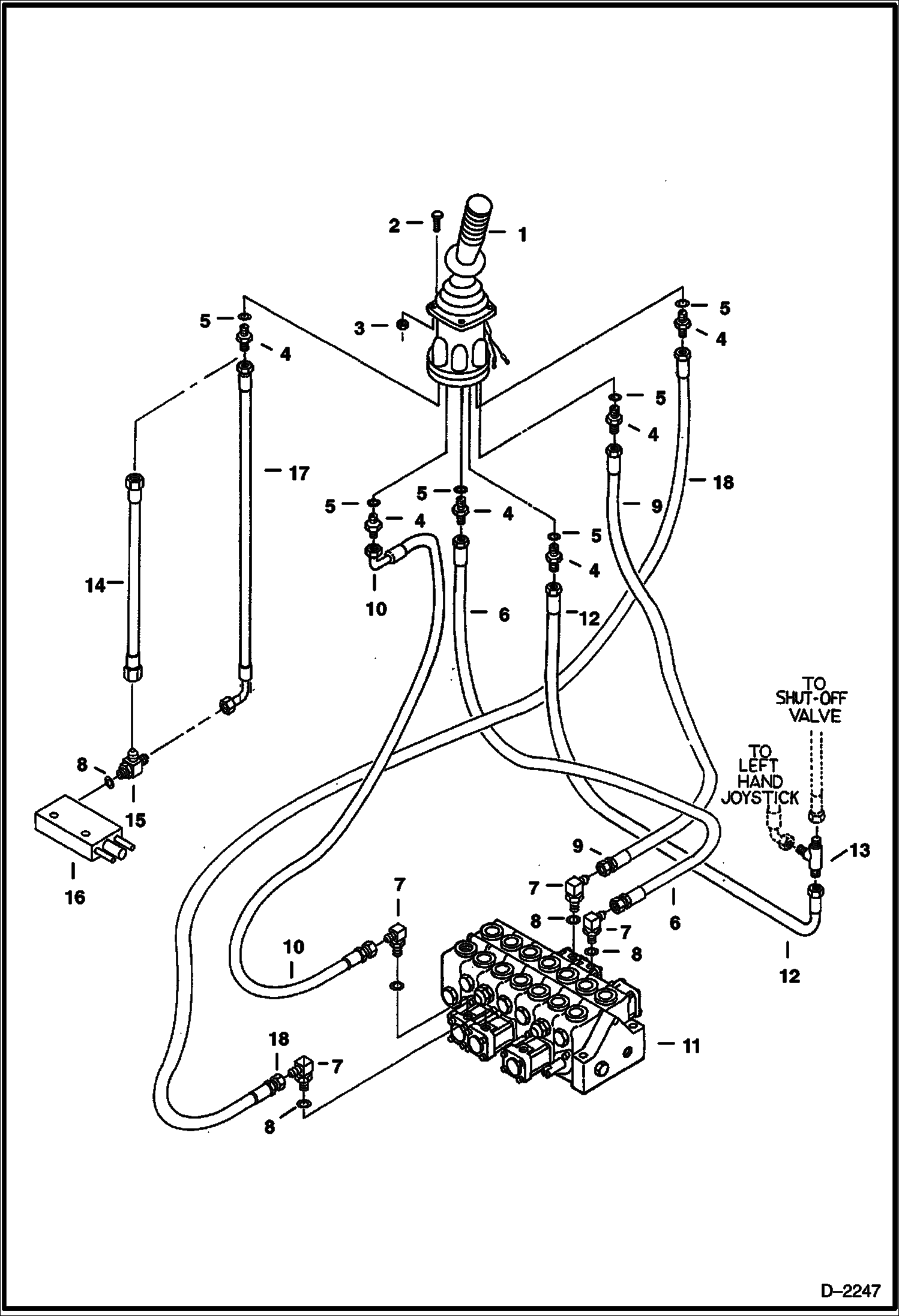
R.H. JOYSTICK CONTROLS (Bucket & Boom) (ISO Control Pattern)
№
Артикул
Название
Примечание
Количество
1
6654120
JOYSTICK ASSY. See Illustration R.H. JOYSTICK CONTROLS/ D1972 - RH
2
1CM625
BOLT
3
1DM6
NUT Was 4DM6 - A
4
6654895
ADAPTER W/Ref. 5
5
6655244
O-RING
6
6536792
HOSE
7
1316049
ELBOW W/Ref. 8
8
79K6
O RING 10
9
6577680
HOSE Was 6536786 - A
10
6536791
11
VALVE See Illustration 6 SPOOL VALVE/ D2225 - Assy
12
6534012
HOSE Was 6536788 - A
13
10K5
TEE
14
HOSE See BTIE-044 - NLA - Was 6536789 - A
15
21K5
TEE W/Ref. 8
16
6539555
VALVE See Illustration 2 SPEED VALVE/ C3282 - 2-Speed
17
6700024
18
6539284
Выбрано товаров: 0