Запчасти Bobcat 331 SWING MOTOR (S/N 512911001-512911056) HYDRAULIC SYSTEM

Схема запчастей Bobcat 331 - SWING MOTOR (S/N 512911001-512911056) HYDRAULIC SYSTEM
FIT
1:1
100%

Артикул

Название

Примечание

Количество

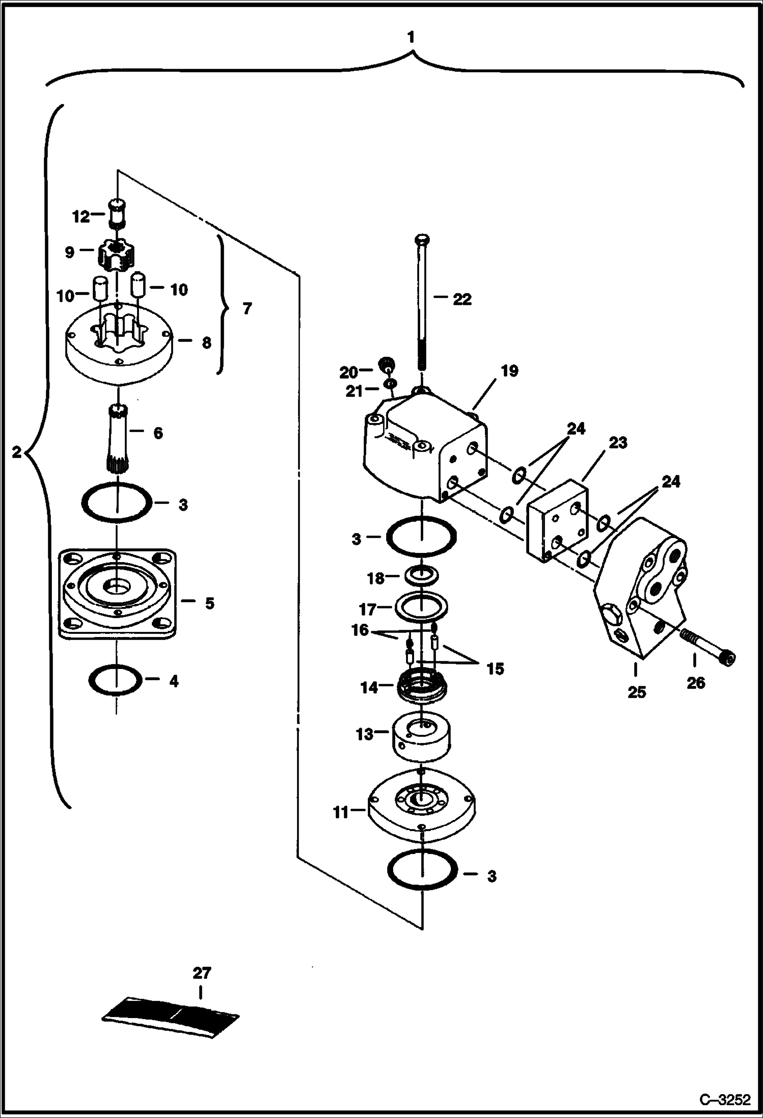
1

MOTOR NLA - assy. - W/Ref. 2-26 - Was 6660216 - A

2

6658741

MOTOR Assy. - W/Ref. 3-22

3

O-RING NSS - Included W/Ref. 27

4

O-RING NSS - Included W/Ref. 27

5

6658523

FLANGE See Illustration SWING TRANSMISSION/ D2175 - see Ref. 3 for mounting bolt on swing transmission page

6

6658524

SHAFT

7

6658525

GEROLER Assy. W/Ref. 8-10

8

RING NSS

9

STAR NSS

10

ROLLER NSS

11

6656368

PLATE

12

1991084

DRIVE

13

6632288

VALVE

14

6630027

BALANCE RING

15

1992102

PIN

16

1992088

SPRING

17

SEAL NSS - Included W/Ref. 27

18

SEAL NSS - Included W/Ref. 27

19

6632289

HOUSING

20

1992104

PLUG W/Ref. 21

21

79K4

O RING 10 Included W/Ref. 27

22

6658526

BOLT

23

6658528

BLOCK

24

6658530

O-RING

25

VALVE See Illustration CROSSPORT RELIEF VALVE KIT/ C3492 See Illustration ACCUMULATOR VALVE/ B20221 NLA - assy - Was 6660663 - A

26

6656376

BOLT

27

6658527

SEAL KIT W/Ref. 3, 4, 17, 18 & 21

Выбрано товаров: 27