Запчасти Bobcat 331 SWING BRACKET WORK EQUIPMENT

Схема запчастей Bobcat 331 - SWING BRACKET WORK EQUIPMENT
FIT
1:1
100%

Артикул

Название

Примечание

Количество

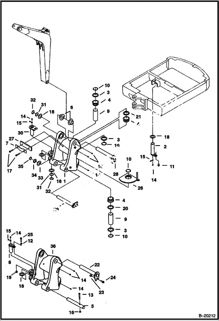
1

6597197

BRACKET Swing

2

6587346

PIN

3

6538893

WASHER

4

6588095

BUSHING, WELD-ON

5

6539534

PIN

6

6539528

BUSHING

7

6589775

CLAMP Hose

8

6587347

PIN

9

6588094

PIN

10

6660274

SNAP RING

11

29CM1220

BOLT

12

15EM120

WASHER

13

7CM1080

BOLT

14

10H25

FITTING, GREASE 5

15

6652943

COVER grease fitting

16

53DM10

NUT Was 49DM00010B - B

17

1CM1055

BOLT

18

6535312

WASHER Swing cylinder

19

53DM12

NUT Was 49DM00012B - B

20

6588098

WASHER

21

6588099

WASHER .22'' (5,5mm) thick

21

6588121

WASHER .24''(6,0mm) thick

21

6588122

WASHER .26''(6,5mm) thick

22

6588124

PIN

23

6586327

TUBE

24

29CM1235

BOLT

25

1CM1245

BOLT 5

26

6589641

SUPPORT Hose

27

6589776

FOAM

28

6597198

PIN, PIVOT SWING

29

6597200

PIN

30

6597202

PIN

31

6666549

WASHER

32

6665618

RING

33

6535313

SHIM

34

6534111

WASHER

35

6534154

RING

36

BRACKET NLA - Swing - order Ref. 1 (1), Ref. 18 (4), Ref. 28 (1), Ref. 29 (1), Ref. 30 (1), Ref. 31 (2), Ref. 32 (2), Ref. 33 (1), Ref. 34 (1) and Ref. 35 (1) - Was 6587831 - A

Выбрано товаров: 0