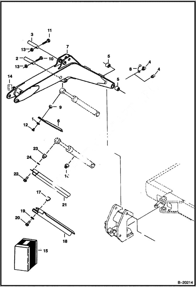
Запчасти Bobcat 331 BOOM (S/N 512911001-512911999) WORK EQUIPMENT

Схема запчастей Bobcat 331 - BOOM (S/N 512911001-512911999) WORK EQUIPMENT
FIT
1:1
100%

Артикул

Название

Примечание

Количество

1

17EM120

WASHER

2

6539100

PIN

3

6539101

PIN

4

12H15

FITTING, GREASE 5 905 - See Service Letter Dated September 2, 1994

4

10H25

FITTING, GREASE 5 Straight

5

6539110

BUSHING, PRESS FIT

6

6539263

SHIELD

7

6539114

BOOM Also Order Ref. 5

8

6652943

COVER grease fitting

9

6539264

SPACER

10

1CM1070

BOLT

11

1CM1080

BOLT

12

1CM1255

SCREW

13

53DM10

NUT Was 39DM00010B - B

14

6589353

PLATE Welded on the boom

15

6800329

KIT Boom Cylinder Guard - W/Refs. 16 - 20 - See Service Letter

16

6628788

GUIDE Cylinder Guard - Weld on

17

6800138

SPACER for Use W/Ref.18 (NLA/6596493 shield)

18

SHIELD NLA - Order 7130856 shield - also order Ref. 22-24 - Was 6596493 - A

19

15EM120

WASHER for Use W/Ref.18 (NLA/6596493 shield)

20

59CM1245

BOLT for Use W/Ref.18 (NLA/6596493 shield)

21

7130856

SHIELD, W/A

22

7131273

SCREW for Use W/Ref. 21

23

7131109

SPACER for Use W/Ref. 21

24

6536803

WASHER spring washer - for Use W/Ref 21

Выбрано товаров: 25