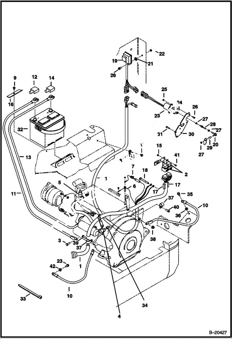
Запчасти Bobcat 331 ELECTRICAL SYSTEMS (Engine) (S/N 512912001 and Above) ELECTRICAL SYSTEM

Схема запчастей Bobcat 331 - ELECTRICAL SYSTEMS (Engine) (S/N 512912001 and Above) ELECTRICAL SYSTEM
FIT
1:1
100%

Артикул

Название

Примечание

Количество

1

6596799

HARNESS See Illustration ELECTRICAL SYSTEMS/ B20426 - Engine - 2 piece - for console harness

2

6670312

SWITCH, MAGNETIC relay - Was 6665005 - A

3

6CM1220

BOLT

4

6657389

SWITCH Oil pressure

5

6664895

SWITCH Water temperature

6

6664894

SENDOR Engine temperature

7

6538534

WIRE Resistance

8

31H42

CLIP

9

26GM8016

SCREW

10

6565170

CABLE neg

11

6588390

CABLE Negative - W/Ref. 12

12

6599652

BOOT

13

6564991

CABLE Positive - W/Ref. 15

14

2356058

BOOT

15

1DM6

NUT Was 4DM6 - A

16

6597176

BRACKET Battery hold down

17

6567537

DIODE

18

1CM1080

BOLT

19

6669415

TIMER, SOLENOID Solenoid - Was 6665522 - A

19

6702444

FUSE 25A 5 25 amp Was 6670808 - A

20

6803170

ROD END swivel

21

2751101

WASHER NE Rubber

22

5CM1020

SCREW

23

6681513

SOLENOID Fuel shutoff - W/Ref. 24 - Was 6667993 - A

24

6664286

BOOT also order (1) Ref. 33

25

53DM6

NUT Was 52DM00006B - B

26

1CM616

SCREW

27

62D4

NUT

28

6578366

BALL JOINT

29

6803171

SPACER .66'' (16.75 mm) long

30

6803173

BRACKET Use W/Ref. 23

31

BOLT Supplied With Engine

32

6670251

BATTERY, DRY 530 AMP With Handles - Was 6665093 - A

33

6610510

TIE

34

6589668

ADAPTER

35

26GM10020

BOLT

36

1EM100

WASHER

37

30H46

CLIP

38

51DM10

NUT Was 45DM00010B - B

39

1CM1030

BOLT

40

1CM816

BOLT Was 4CM816 - A

41

1CM610

BOLT

42

10EM100

WASHER

Выбрано товаров: 43