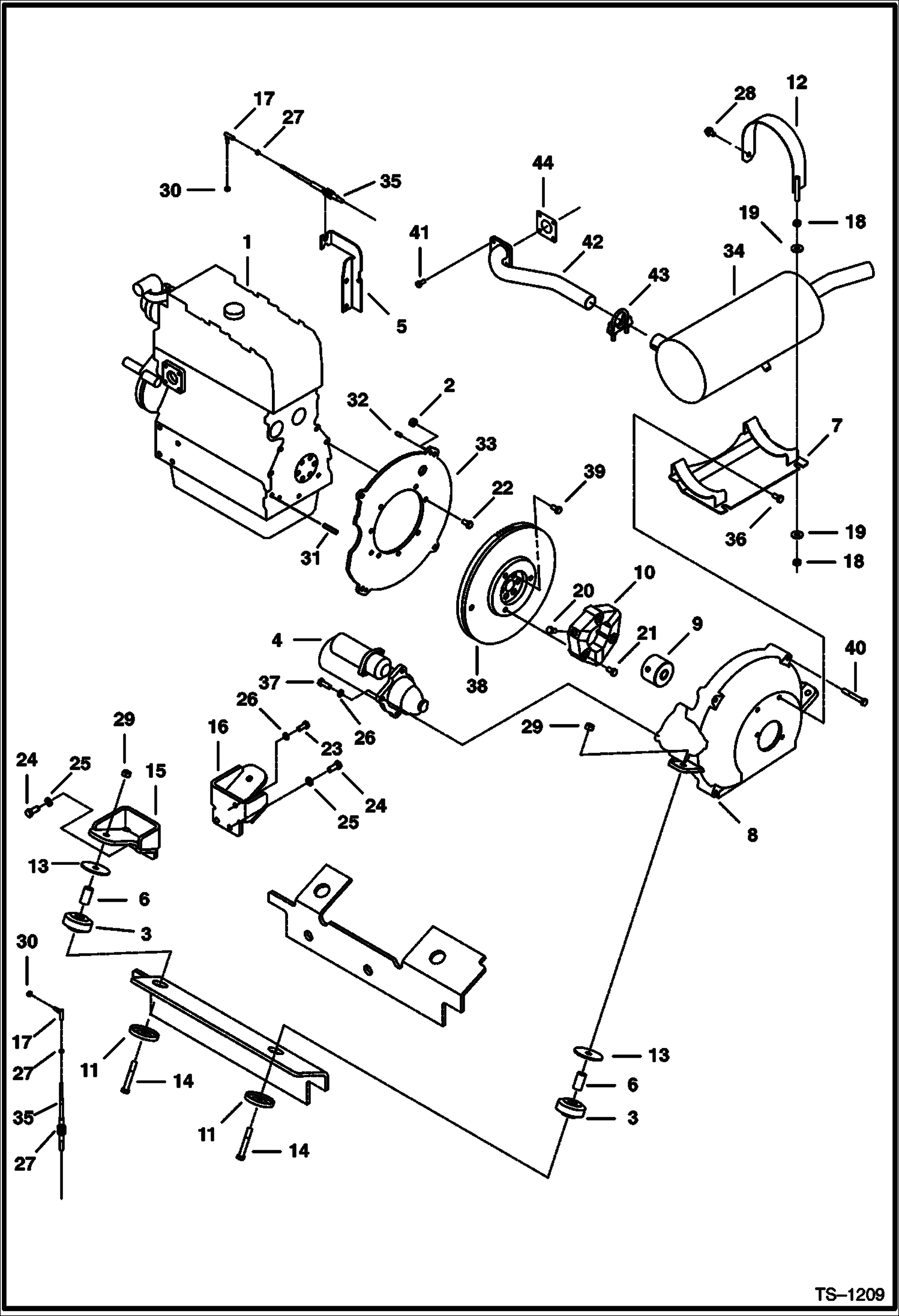
Запчасти Bobcat 331 ENGINE MOUNTING, FLYWHEEL, STARTER & MUFFLER (S/N 512911001-512911386) POWER UNIT

Схема запчастей Bobcat 331 - ENGINE MOUNTING, FLYWHEEL, STARTER & MUFFLER (S/N 512911001-512911386) POWER UNIT
FIT
1:1
100%

Артикул

Название

Примечание

Количество

1

ENGINE See Illustration INJECTOR HOLDER/ B13154 See Illustration ELECTRICAL SYSTEMS/ B20426 See BTIE-060

2

43DM10

NUT

3

6661785

MOUNT, ENG

4

STARTER See Illustration STARTER/ B14171

5

6595422

BRACKET Speed cable - Was 6539106 - B

6

6706043

SPACER

7

6589099

BRACKET Muffler

8

6589040

HOUSING

9

6595416

COUPLING Was 6537440 - B

10

6660771

COUPLING

11

6661787

WASHER

12

6589105

STRAP Muffler mounting

13

6705106

WASHER

14

1CM1280

BOLT

15

6589107

MOUNT Engine

16

6589110

MOUNT Engine

17

6644965

BALL JOINT

18

4DM10

NUT Was 1DM00010B - B

19

17EM100

WASHER

20

6537441

BOLT

21

BOLT NLA - Was 6537500 - A

22

5CM1020

SCREW

23

5CM1025

BOLT

24

6CM1230

BOLT

25

6EM120

WASHER

26

6EM100

WASHER

27

14D10

NUT

28

29CM1016

BOLT

29

50DM12

NUT Was 49DM00012B - B

30

62D4

NUT

31

3974868

PIN dowel - Supplied W/Engine

32

21JM816

PIN Dowel

33

6596108

PLATE Flywheel - Was 6589103 - A

34

MUFFLER Spark arrester - factory installed - Was 6664489 - A

34

6667536

MUFFLER, PURIFIER

35

6660293

CABLE Speed control

36

1CM1020

BOLT

37

1CM1030

BOLT

38

6589113

FLYWHEEL

38

6510470

RING GEAR Flywheel

39

6598275

BOLT Was 6652487 - A

40

1CM1080

BOLT Was 1CM01075B - B

41

6701123

SCREW

42

6589114

TUBE Exhaust

43

710706

CLAMP Was 6634608 - A

44

6575580

GASKET muffler

Выбрано товаров: 46