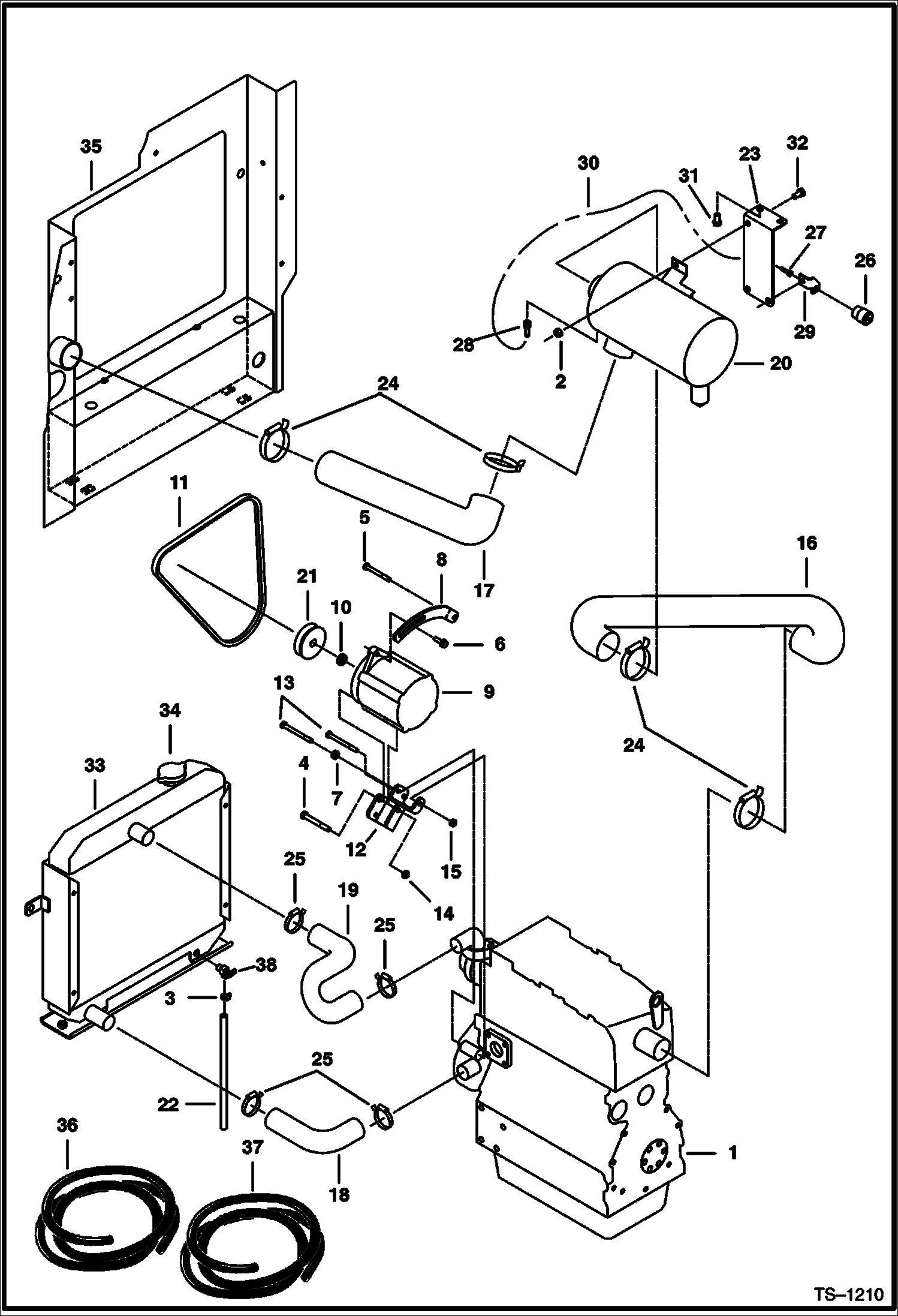
Запчасти Bobcat 331 ALTERNATOR, AIR CLEANER AND RADIATOR HOSES (S/N 512911001-512911999) POWER UNIT

Схема запчастей Bobcat 331 - ALTERNATOR, AIR CLEANER AND RADIATOR HOSES (S/N 512911001-512911999) POWER UNIT
FIT
1:1
100%

Артикул

Название

Примечание

Количество

1

ENGINE See Illustration ENGINE & GASKET KITS/ B16450 See Illustration RADIATOR & MOUNTING/ TS1208

2

4DM10

NUT Was 1DM00010B - B

3

42HS04

CLAMP, HOSE Was 6515575 - A

4

1C648

BOLT

5

1CM870

BOLT

6

35C516

BOLT 10

7

6568877

WASHER

8

6579721

RETAINER

9

ALTERNATOR See Illustration ELECTRICAL SYSTEMS/ B20425 - Was 6661611 - B

10

6571554

SPACER

11

6704720

BELT, ALT

12

6562257

MOUNT

13

1CM885

BOLT

14

95D6

NUT Was 85D000006B - B

15

4DM8

NUT Was 1DM00008B - B

16

6664453

HOSE Air intake

17

6664488

HOSE Air intake

18

6664451

HOSE Radiator

19

6664452

HOSE Radiator

20

6664490

AIR CLEANER See Illustration AIR CLEANER/ B14150

21

6571536

PULLEY Alternator - Was 6571536 - B

22

HOSE NLA - 13''(330mm) long - Order Ref. 36

23

6589117

BRACKET

24

42H40

HOSECLAM5

25

42H24

CLAMP-5 Was 42H000032B - B

26

6515007

GAUGE Air cleaner

27

6505813

CONNECTOR

28

6563452

FITTING

29

6704823

BRACKET Indicator

30

HOSE NLA - 11'' (280mm) long - Order Ref. 37

31

26GM10020

BOLT

32

1CM1020

BOLT

33

6664454

RADIATOR W/Ref. 34

34

3974310

CAP Radiator

35

6589093

MOUNT Radiator

36

6586251

HOSE Bulk-Sold Per Foot

37

6557720

HOSE Bulk-Sold Per Foot

38

6513679

VALVE drain

Выбрано товаров: 38