Качественные детали и логистика
Оригинальные и аналоговые запчасти с доставкой по России, Казахстану и Беларуси
©2022 PartSell ООО "Система" ИНН 2463123282 ОГРН 1212400004838
Центральный офис: г. Красноярск, Академика Киренского, д.87, пом.4
Телефон: 8 (800) 777-65-74 Email: zakaz@partsell.ru
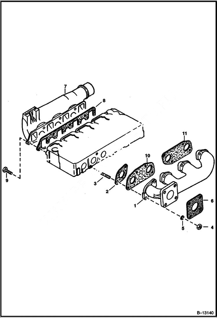
MANIFOLDS
№
Артикул
Название
Примечание
Количество
1
6651482
MANIFOLD, EXHAUST Exhaust
2
GASKET NLA - Order Ref. 10 & 11 - Was 3974915B - A
3
6652670
STUD
4
6652792
NUT
5
6EM80
WASHER, SPRING
6
6575580
GASKET muffler
7
6655171
MANIFOLD Intake
8
6666811
GASKET Was 6655172 - A
9
4CM822
BOLT
10
6666781
GASKET
11
6666791
Выбрано товаров: 11