Запчасти Bobcat 331 SWING MOTOR HYDRAULIC SYSTEM

Схема запчастей Bobcat 331 - SWING MOTOR HYDRAULIC SYSTEM
FIT
1:1
100%

Артикул

Название

Примечание

Количество

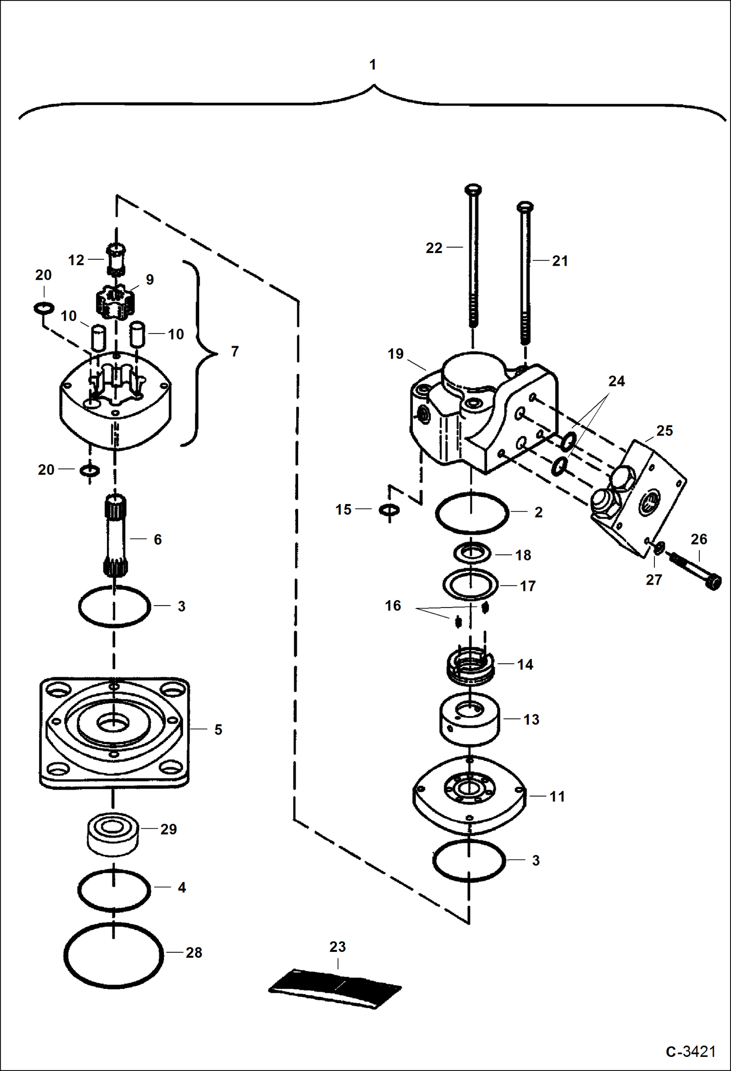
1

6667882

MOTOR, DRIVE HYD Assy. - W/Ref. 2-22

2

58K44

O RING 10

3

6513524

O'RING

4

6513799

SEAL

5

6513528

FLANGE

6

6669196

DRIVE

7

6669197

GEROLER Assy. - W/Ref. 8-10

8

RING NSS

9

STAR NSS

10

ROLLER NSS

11

6661809

PLATE Was 6658759 - A

12

6513518

DRIVE

13

6667330

VALVE

14

6658757

RING

15

25K20010

O RING 10

16

6190121

SPRING

17

SEAL

18

6513529

SEAL

19

6669198

HOUSING

20

6667332

SEAL

21

6658755

SCREW

22

6669199

BOLT

23

6724499

SEAL KIT Incl. Refs. 2, 3, 4, 15, 17, 18 & 20

24

6669213

O-RING

25

6669278

VALVE See Illustration CROSSPORT RELIEF VALVE/ B14785 - Assy

26

17C640

BOLT 5

27

27E6

WASHER 5

28

25K30508

O-RING, 10 not included with swing motor - seals motor to mount assy.

29

6513681

BEARING

Выбрано товаров: 29