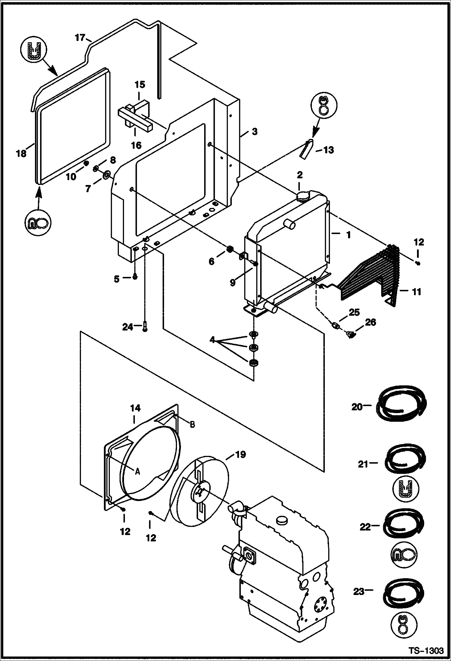
Запчасти Bobcat 331 RADIATOR & MOUNTING POWER UNIT

Схема запчастей Bobcat 331 - RADIATOR & MOUNTING POWER UNIT
FIT
1:1
100%

Артикул

Название

Примечание

Количество

1

6666682

RADIATOR

2

3974310

CAP Radiator

3

6596905

MOUNT Radiator

4

6653763

MOUNT

5

1CM1045

BOLT

6

568276

DAMPNER

7

27E12

WASHER

8

17EM100

WASHER

9

29CM1040

BOLT

10

51DM10

NUT

11

6594860

GUARD Fan

12

29CM616

BOLT

13

SEAL NLA - Order Ref. 23 - 3.0'' (76 mm) long

14

6664450

SHROUD

15

6589121

INSULATION

16

INSULATION NLA - Order Ref. 20 - 8'' (203 mm) long

17

SEAL NLA - Order Ref. 21 - 61'' (1550 mm) long

18

SEAL NLA - Order Ref. 22 - 66'' (1674 mm) long

19

6678962

FAN 4 blade - Was 6664455 - A

20

6554274

INSULATION Bulk - Sold Per Foot

21

6654139

MOULDING bulk - sold per foot

22

6555351

SEAL bulk - sold per foot

23

6513152

SEAL bulk - sold per foot

24

26GM8016

SCREW

25

6679505

ADAPTER

26

6513679

VALVE Was 6679506 - A

Выбрано товаров: 26