Запчасти Bobcat 331 INJECTOR NOZZLES (Kubota - V2203 2EB - Tier II) REPLACEMENT ENGINE

Схема запчастей Bobcat 331 - INJECTOR NOZZLES (Kubota - V2203 2EB - Tier II) REPLACEMENT ENGINE
FIT
1:1
100%

Артикул

Название

Примечание

Количество

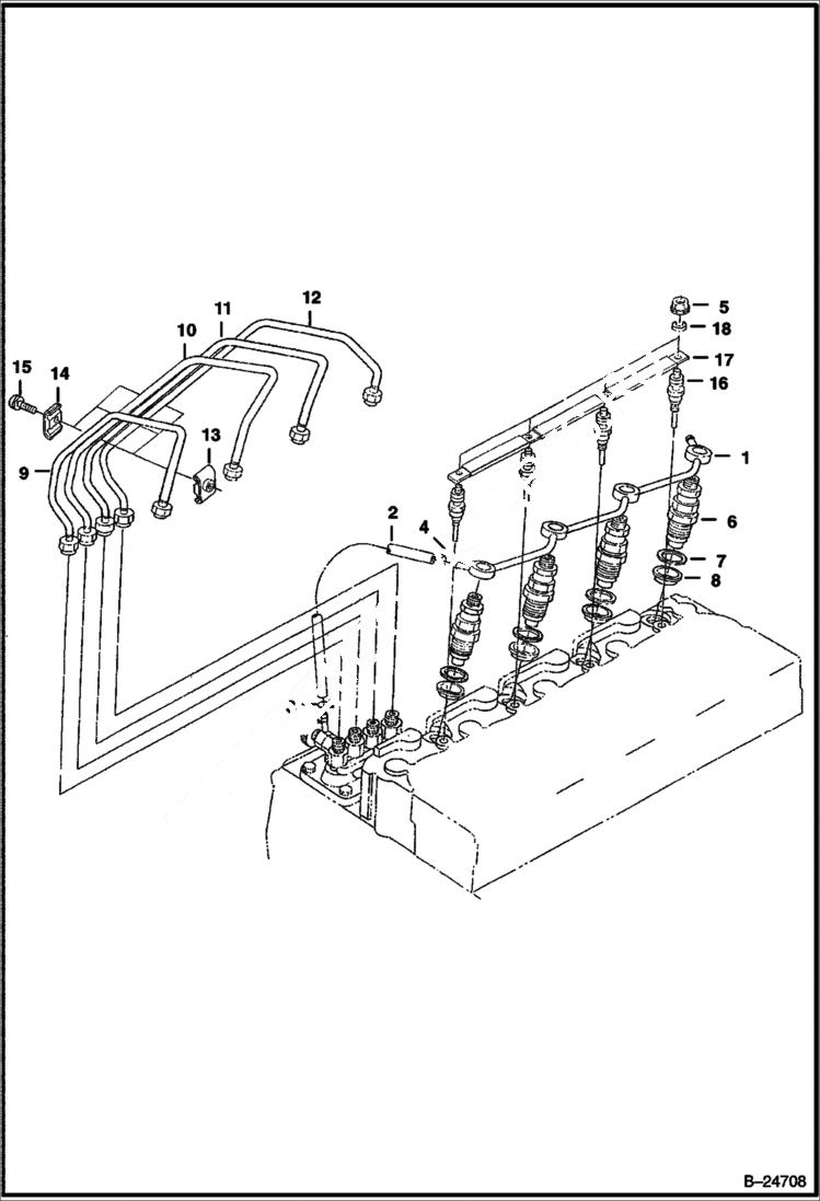
1

6682521

PIPE

2

6974656

TUBE ASSY, OVERFLOW fuel over flow - Was 6681931 - A

3

6654718

CLAMP pipe - Was 6680795 - A

4

6654718

CLAMP pipe

5

6670472

NUT

6

7023120

INJECTOR, FUEL ASSY nozzle - Was 6722147 - A

6

6722147REM

NOZZLE, FUEL INJ. KUBOTA V2203 nozzle

7

6655218

GASKET

8

6655872

HEAT SEAL

9

6655219

PIPE injection

10

6655220

PIPE injection

11

6655221

PIPE injection

12

6655222

PIPE injection

13

6652688

CLAMP pipe

14

6680786

CLAMP pipe

15

3974260

SCREW

16

6655233

GLOW PLUG

17

6655234

CORD glow plug - Was 6686987 - A

18

6670473

WASHER

Выбрано товаров: 0