Запчасти Bobcat 331 DECALS (S/N 512913001 - 512915199) ACCESSORIES & OPTIONS

Схема запчастей Bobcat 331 - DECALS (S/N 512913001 - 512915199) ACCESSORIES & OPTIONS
FIT
1:1
100%

Артикул

Название

Примечание

Количество

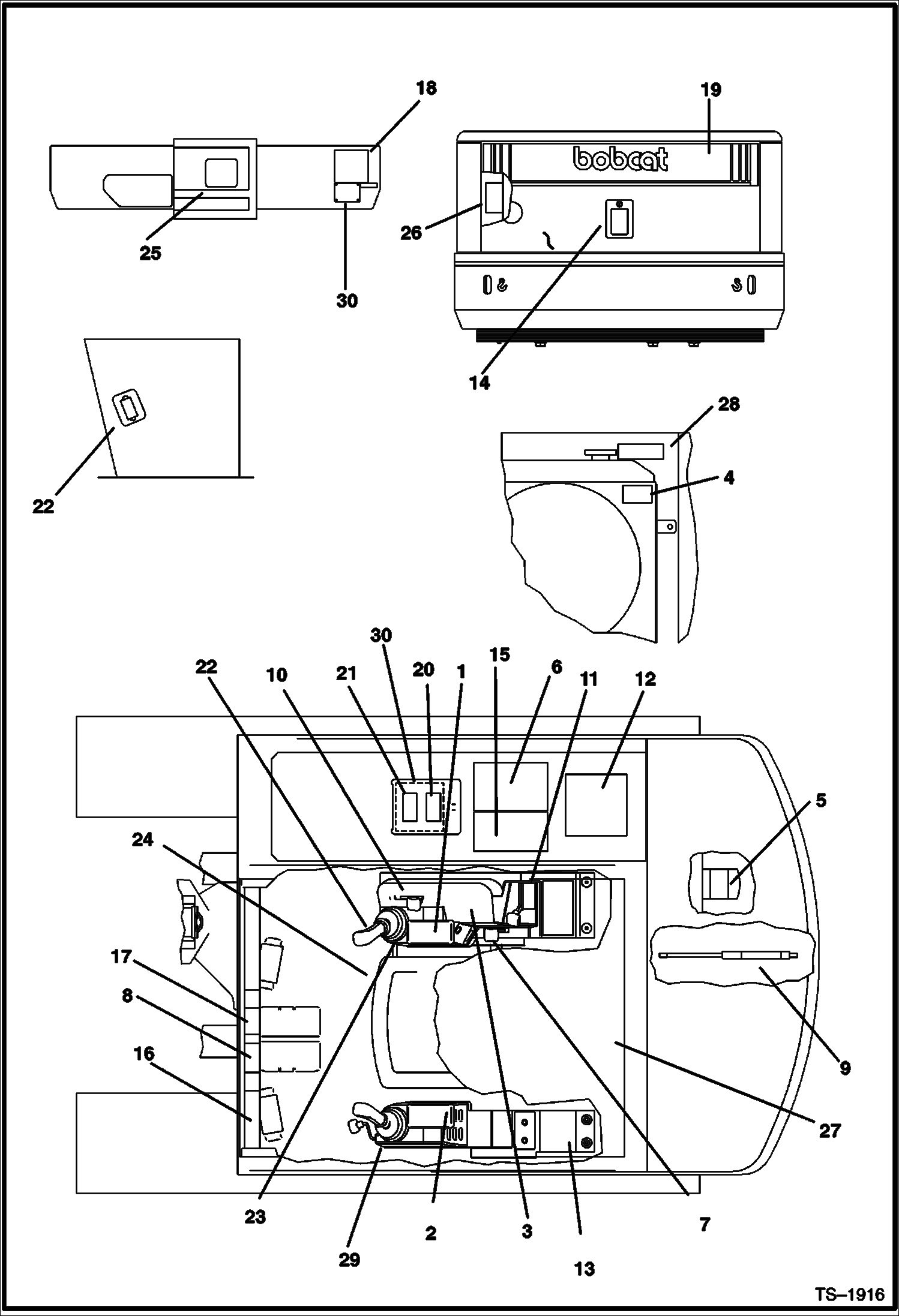
1

6589740

DECAL ISO-R.H. console

1

6589843

DECAL Standard R.H. console

2

6589741

DECAL ISO-L.H. console

2

6589842

DECAL Standard L.H. console

3

6539688

DECAL Speed

4

DECAL NLA - Warning - Order 6804233 - Was 6643356 - A

5

6565200

DECAL, FILTER

6

6806615

DECAL Lift - Was 6589745 - A

7

6588730

DECAL Light

8

6533901

DECAL Controls

9

6577754

DECAL, WARNING 5 gas spring

10

6537634

DECAL

11

6587247

DECAL Swing lock

12

6588716

DECAL Service Schedule

12

6628906

DECAL Service Schedule

13

6587139

DECAL

14

6643355

DECAL Warning engine moving parts

15

DECAL NLA - Warning - Order 6804230 - Was 6588380 - A

16

6539813

DECAL Aux. pedal

17

6534217

DECAL Boom swing

18

DECAL NLA - Warning - Order 6804321 - Was 6588382 - A

19

DECAL Rear logo NLA - Rear Logo - Was 6628510 - A

20

6565990

DECAL, OIL HYD 5 hydrostatic fluid fill

21

6589739

DECAL Diesel

22

6588921

DECAL fuse

23

6589059

DECAL Pre-heat

24

6804116

DECAL Two Speed Travel - Was 6801914 - A

25

6539812

DECAL Aux. valve

26

DECAL NLA - Warning - Order 6804232 - Was 6589697 - A

27

6707971

DECAL Operators manual

28

6708929

DECAL, COOLANT propylene glycol

29

6628802

DECAL Aux. Selector Valve

30

6708207

DECAL C Series

Выбрано товаров: 33