Качественные детали и логистика
Оригинальные и аналоговые запчасти с доставкой по России, Казахстану и Беларуси
©2022 PartSell ООО "Система" ИНН 2463123282 ОГРН 1212400004838
Центральный офис: г. Красноярск, Академика Киренского, д.87, пом.4
Телефон: 8 (800) 777-65-74 Email: zakaz@partsell.ru
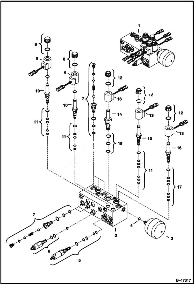
MANIFOLD ASSY (S/N 232512162, 232711316, 232611711 & Below)
№
Артикул
Название
Примечание
Количество
1
6676055
MANIFOLD assy. - Was 6616055 - D
2
BLOCK NSS - order Ref. 1
3
6675349
ACCUMULATOR
4
O-RING
5
6675350
VALVE pressure reducing
6676043
SEAL KIT
6
6675658
VALVE relief - Was 6677634 - A
6677643
7
6677480
VALVE check
6677484
8
6676042
NUT W/O-Ring
9
6676041
COIL Aux - PWM
10
6676040
VALVE W/Ref.11
11
12
6675359
13
6675351
COIL
14
6677481
VALVE W/Ref. 15 - Dump valve
15
6677483
16
6675352
SOLENOID W/Ref. 17 - Lock-out/work group
17
6675353
Выбрано товаров: 0