Запчасти Bobcat 331 HEATER/AIR CONDITIONING (S/N 232513960, 232711647, 232612934 & Above) ACCESSORIES & OPTIONS

Схема запчастей Bobcat 331 - HEATER/AIR CONDITIONING (S/N 232513960, 232711647, 232612934 & Above) ACCESSORIES & OPTIONS
FIT
1:1
100%

Артикул

Название

Примечание

Количество

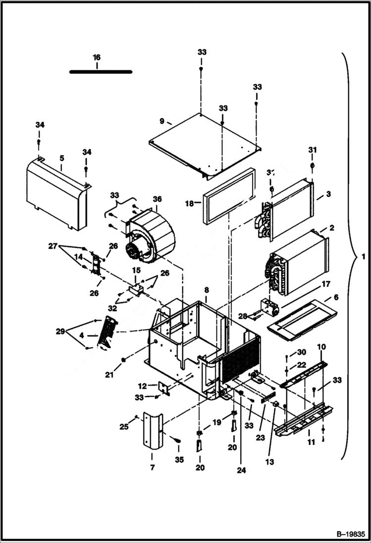
1

6682036

HVAC

2

6683283

EVAPORATOR

3

6677543

COIL heater

4

6676713

LOUVER

5

6677540

COVER front cover

6

6678033

SUPPORT support

7

6678032

PLATE access

8

6684554

CASING

9

6684553

COVER

10

6684552

DOOR sliding

11

6684551

BRACKET

12

6684559

BRACKET

13

6684549

KNOB blade

14

6677552

RESISTOR

15

6675535

THERMOSTAT

16

6684558

HARNESS wiring

17

6675534

BLOCK, VALVE A/C

18

6681568

FILTER

19

6675510

CLAMP drain hose

20

6675511

DRAIN VALVE

21

6675513

GROMMET

22

6684547

BUSHING nylon

23

6684546

OVERLAY

24

6677555

RECEPTACLE

25

6677557

RETAINER

26

6684557

NUT

27

4DM5

NUT

28

1CM630

BOLT hex head

29

58G606

SCREW

30

POP RIVET NLA

31

6676539

CLIP coil

32

6684556

SCREW

33

26GM5010

SCREW

34

6684545

SCREW

35

6678036

SCREW

36

6684555

BLOWER

36

7013664

MOTOR, FAN

Выбрано товаров: 0