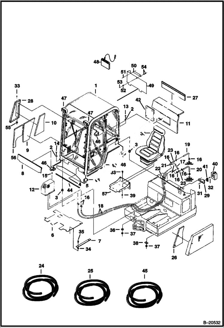
Запчасти Bobcat 331 CAB MOUNTING MAIN FRAME

Схема запчастей Bobcat 331 - CAB MOUNTING MAIN FRAME
FIT
1:1
100%

Артикул

Название

Примечание

Количество

1

CAB ASSY See Illustration OPERATOR CAB/ B20533 - NLA

2

6805244

WASHER Was 6803445 - A

3

6560633

DAMPENER

4

6589675

SCREW Was 6587499 - A

5

6588651

PANEL

6

6588713

FLOORMAT cab

6

6589893

FLOORMAT cab

7

6588794

PLATE floormat retainer

8

6802959

INSULATION Was 6588796 - A

9

6800884

INSULATION Was 6595394 - A

10

6588798

INSULATION

11

INSULATION NLA - Was 6589346 - A

12

6663968

HEATER See Illustration HEATER/ C3340 See Illustration HEATER/ B20534

13

1CM1250

BOLT

14

1CM1255

SCREW

15

26GM10020

BOLT Was 29CM01016B - B

16

42H8

HOSE CLAMP 5

17

HOSE NLA - 3'' (75mm) long - Order Ref. 24

18

HOSE NLA - 70'' (1780mm) long - Order Ref. 24

19

HOSE NLA - 10'' (250mm) long - Order Ref. 25

20

HOSE NLA - 12'' (305mm) long - Order Ref. 25

21

6585223

ORIFICE

22

6610510

TIE

23

6564697

TEE

24

889269

HOSE BULK/FT bulk - Order Per Foot

25

6565977

HOSE bulk - Order Per Foot

26

6588859

INSULATION

27

6588884

INSULATION W/O Storage compartment

27

6589664

INSULATION W/Storage compartment

28

PANEL NLA - Order 6588891 & (1) Ref. 55 - Was 6588890 - A

28

6588891

PANEL

29

6588955

BRACKET window washer

30

SEAT See Illustration SEAT/ B20535

31

1DM6

NUT

32

29CM616

BOLT

33

29CM816

SCREW

34

6503451

SPACER

35

29CM1030

BOLT

36

17EM120

WASHER

37

43DM12

NUT

38

6588177

PLATE

39

45DM8

NUT 10

40

WASHER KIT NLA - kit - Order 6666767 nozzle, 6691499 tank assy, 6664557 bracket, & 5 feet of 6708310 bulk hose - Was 6664438 - A

40

6691499

TANK ASSY includes 6664554 pump

40

6664554

PUMP, WIPER WASHER

40

6666767

NOZZLE window washer - Was 6664555 - A

40

HOSE NLA - Order 5' of 6708310 bulk hose - Was 6664556 - A

41

6664557

BRACKET

42

6589272

INSULATION

43

FOAM NLA - 63'' (1600 mm) long - Order Ref. 45

44

FOAM NLA - 37'' (940mm) long - Order Ref. 45

45

6801027

SEAL bulk - Sold Per Foot - Was 6511855 - B

46

6807987

INSULATION Was 6589660 - A

47

LIGHT NLA - Order 6668721 - Was 6664106 - A

47

6665700

SEALED BEAM for light 6664106

47

6664106

LAMP Was 6667822 - A

47

6668721

BULB replacement bulb for 6668722

48

6596919

HANDBOOK Operators - English

48

6596920

HANDBOOK Operators - Danish

48

6596921

HANDBOOK Operators - French

48

6596922

HANDBOOK Operators - German

48

6596924

HANDBOOK Operators - Italian

48

6596925

HANDBOOK Operators - Spanish

48

6596926

HANDBOOK Operators - Portuguese

48

6596927

HANDBOOK Operators - Dutch

48

6596928

HANDBOOK Operators - Japanese

48

6596929

HANDBOOK Operators - Norwegian

48

6596930

HANDBOOK Operators - Russian

48

6596931

HANDBOOK Operators - Swedish

48

6596932

HANDBOOK Operators - Finnish

48

6596933

HANDBOOK Operators - Greek

49

6589656

PANEL storage - cab models

49

6589655

PANEL storage - canopy models

50

6589657

ANGLE

51

6630207

RIVET 5

52

6674389

LOCK ASSY - Was 6661695 - A

53

6587458

KEY

54

6536802

WASHER

55

42DM8

NUT

56

6800883

INSULATION Was 6595395 - A

57

MOUNT See Illustration CONTROL CONSOLE, FLOORBOARDS AND SEAT/ B20641 - seat

Выбрано товаров: 81