Запчасти Bobcat 331 HYDRAULIC CIRCUITRY (ISO/STD) HYDRAULIC SYSTEM

Схема запчастей Bobcat 331 - HYDRAULIC CIRCUITRY (ISO/STD) HYDRAULIC SYSTEM
FIT
1:1
100%

Артикул

Название

Примечание

Количество

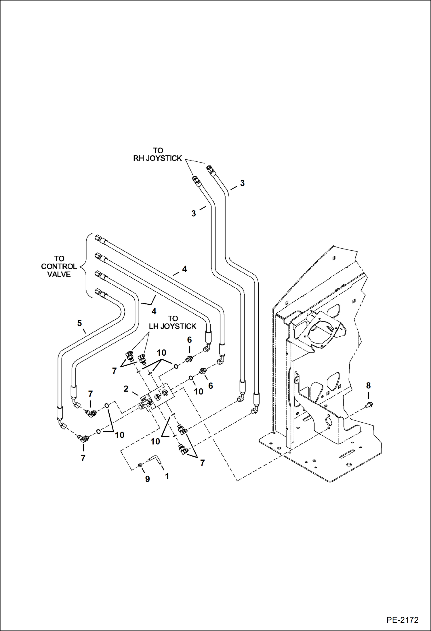
1

6804251

HANDLE

2

6805768

VALVE assy

3

7106620

HOSE Was 6807483 - A

4

7106621

HOSE Was 6809341 - A

5

7106619

HOSE Was 6817255 - B

6

15KB0404

FTG HYD S Connector W/Ref. 10

7

17KB0404

FTG HYD ELBOW 90 W/Ref. 10

8

29CM816

SCREW

9

53DM6

NUT Was 1DM6 - A

10

79K4

O RING 10

Выбрано товаров: 10