Запчасти Bobcat 331 VALVE SECTION (Slew) HYDRAULIC SYSTEM

Схема запчастей Bobcat 331 - VALVE SECTION (Slew) HYDRAULIC SYSTEM
FIT
1:1
100%

Артикул

Название

Примечание

Количество

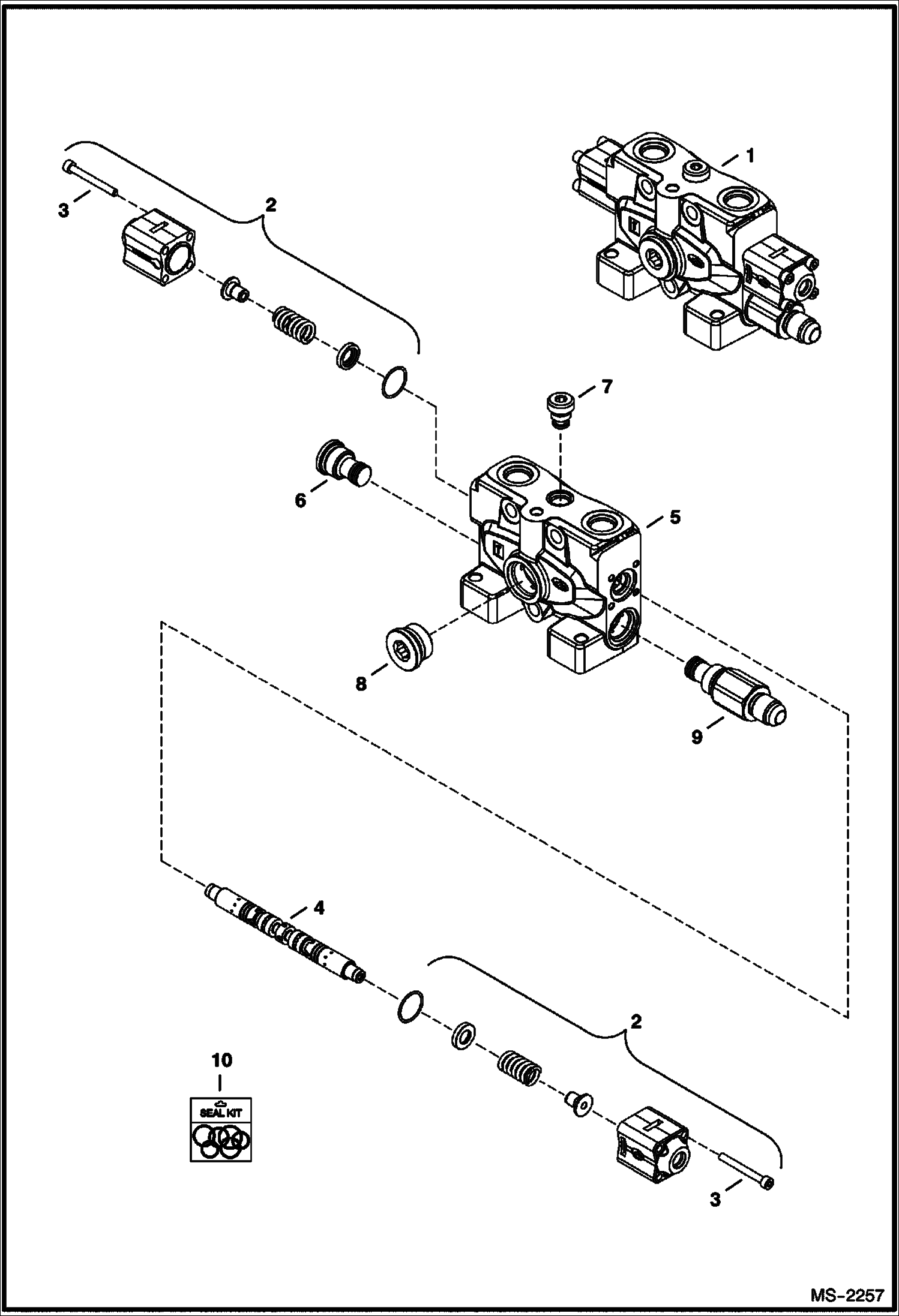
1

6680038

VALVE slew - Ref. 2-9

2

6680067

KIT section

3

6682248

SCREW

4

SPOOL NSS - Order Ref. 1

5

BLOCK NSS - Order Ref. 1

6

6680057

PLUG

7

6680092

VALVE, LOCK LOAD

8

6680058

PLUG

9

6680059

VALVE

10

6680043

SEAL KIT

Выбрано товаров: 0