Запчасти Bobcat 331 UNDERCARRIAGE UNDERCARRIAGE

Схема запчастей Bobcat 331 - UNDERCARRIAGE UNDERCARRIAGE
FIT
1:1
100%

Артикул

Название

Примечание

Количество

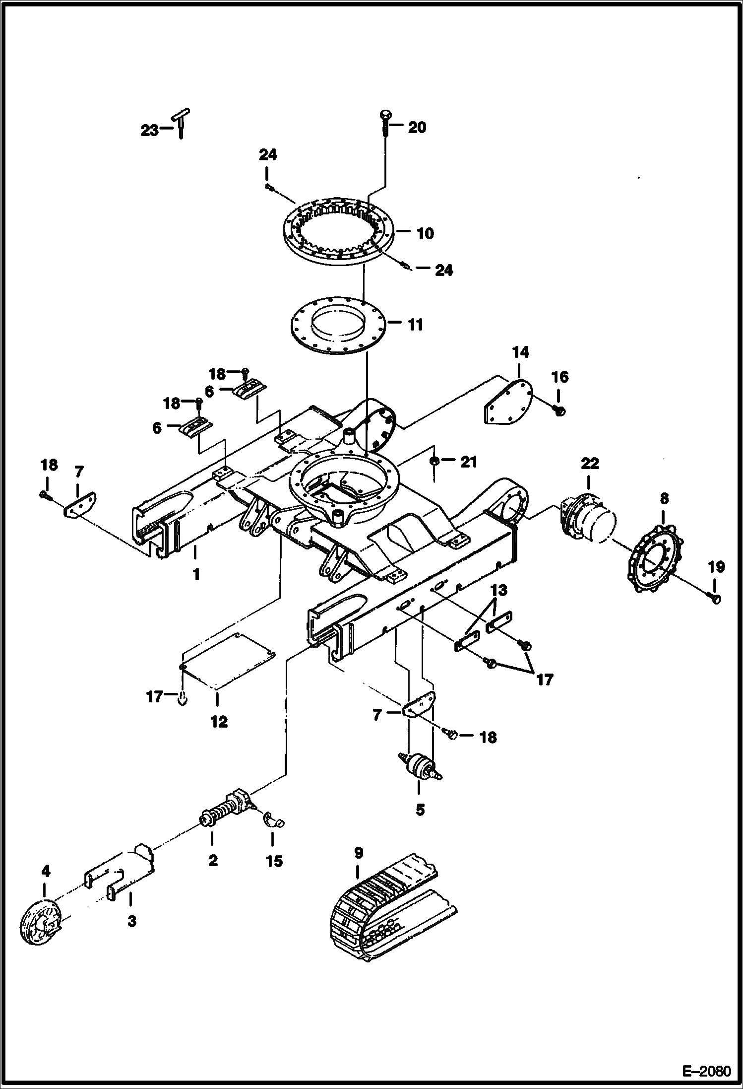
1

6537670

TRACK FRAME

2

SPRING ASSY. See Illustration RECOIL SPRING/ B14172 - recoil

3

6535538

BRACKET idler wheel

4

6808250

FRONT IDLER See Illustration FRONT IDLER/ B18638 See Illustration FRONT IDLER/ B25155 - Was 6534237 - A

5

ROLLER ASSY See Illustration TRACK ROLLER/ B22162 - Was 6814886 - A

6

6534234

BRACKET track slide

7

6534236

PLATE steel track

7

6537618

PLATE rubber track - Was 6657618 - D

8

6587310

SPROCKET Was 6539097 - A

9

TRACK, RUBBER See Illustration TRACKS/ NA6207

9

TRACK, STEEL See Illustration TRACKS/ B25157

10

6655124

BEARING 96 teeth on swing gear

11

6535548

FLANGE

12

6536082

COVER

13

6539292

COVER

14

6535547

COVER

15

6652943

COVER grease fitting

16

29CM820

SCREW

17

26GM10020

BOLT self tapping-Was 29CM01020B - A

18

1CM1025

BOLT

19

1CM1235

BOLT

20

7CM1280

BOLT

21

47DM12

NUT, FLANGE

22

DRIVE MOTOR See Illustration TRAVEL MOTOR/ D2172

23

6586495

PIN alignment -service tool for aligning swing bearing when upperstructure has been removed from undercarriage

24

6652970

GREASE FITTING

Выбрано товаров: 26