Качественные детали и логистика
Оригинальные и аналоговые запчасти с доставкой по России, Казахстану и Беларуси
©2022 PartSell ООО "Система" ИНН 2463123282 ОГРН 1212400004838
Центральный офис: г. Красноярск, Академика Киренского, д.87, пом.4
Телефон: 8 (800) 777-65-74 Email: zakaz@partsell.ru
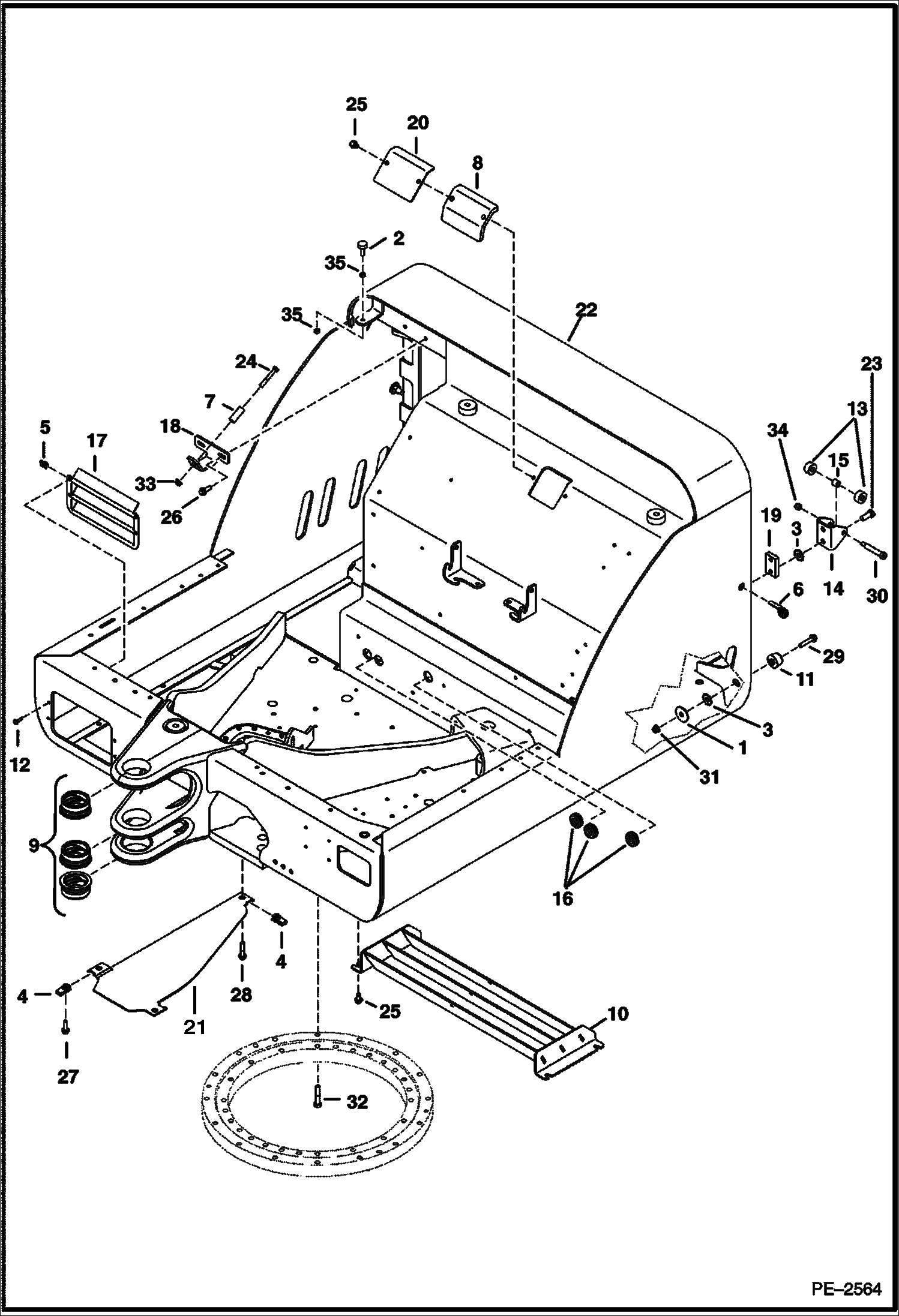
UPPERSTRUCTURE
№
Артикул
Название
Примечание
Количество
1
6560899
WASHER flat
2
6655399
BUMPER
3
6675273
WASHER
4
6675722
NUT clip
5
6676026
NUT
6
6678025
LOCK W/O key - Ignition key 6693241
7
6719550
TUBE
8
6807904
INSULATION
9
6807956
BUSHING
10
6808051
LOUVER
11
6808365
12
6809030
SCREW
13
6809726
ROLLER
14
6809727
CHANNEL
15
6809734
16
6810133
GROMMET
17
6810578
18
6810664
MOUNT
19
6810802
BAR striker
20
6816756
COVER
21
7103532
PLATE
22
7130840
UPPERSTRUCTURE Was 7107778 - A
23
17C820
BOLT
24
17C640
BOLT 5 Was 1CM-640 - A
25
26GM10020
26
26GM10030
27
29CM1030
28
29CM1045
29
29CM1050
30
38C840
31
51DM10
32
55CM1260
33
55D6
34
59D6
35
61D5
Выбрано товаров: 0