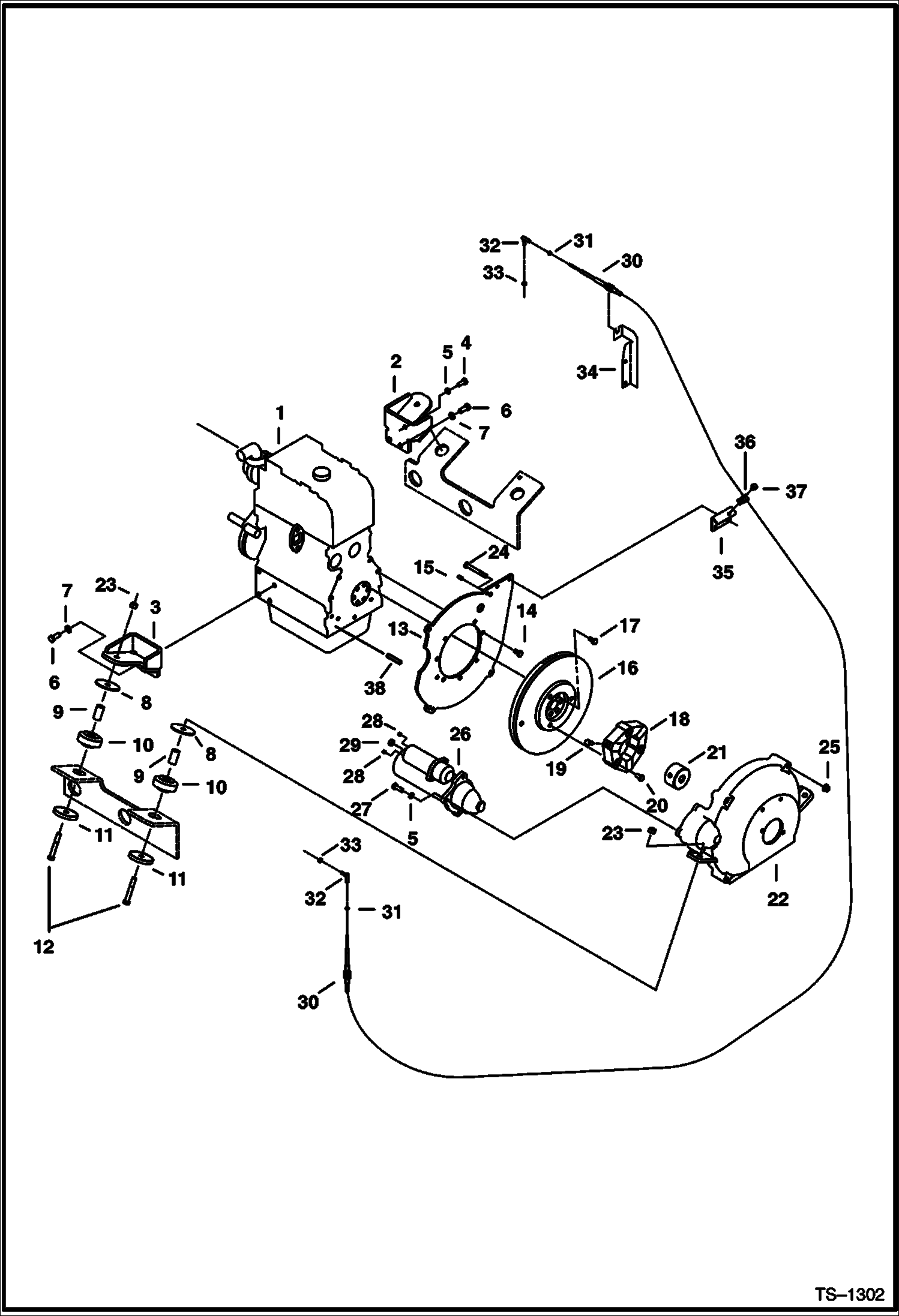
Запчасти Bobcat 334 ENGINE MOUNTING, FLYWHEEL & STARTER (S/N 512913001 - 512915199) POWER UNIT

Схема запчастей Bobcat 334 - ENGINE MOUNTING, FLYWHEEL & STARTER (S/N 512913001 - 512915199) POWER UNIT
FIT
1:1
100%

Артикул

Название

Примечание

Количество

1

ENGINE See Illustration ENGINE & GASKET KITS/ B16450 See BTIE-060 NLA - Was 6653482 - A

2

6589110

MOUNT

3

6589107

MOUNT

4

5CM1025

BOLT

5

6EM100

WASHER

6

6CM1230

BOLT

7

6EM120

WASHER

8

6705106

WASHER

9

6706043

SPACER

10

6661785

MOUNT, ENG

11

6661787

WASHER

12

1CM1280

BOLT

13

6595944

PLATE

14

5CM1020

SCREW

15

21JM816

PIN

16

6596903

FLYWHEEL

16

6510470

RING GEAR

17

6598275

BOLT Was 6652487 - A

18

6660771

COUPLING Rubber

19

6537441

BOLT Included W/Ref. 18

20

6537500

BOLT Included W/Ref. 18

21

6596187

COUPLING Hyd. pump

22

6595832

HOUSING Flywheel

23

49DM12

NUT

24

1CM1080

BOLT

25

45DM10

NUT 10

26

STARTER See Illustration STARTER/ B14171

27

1CM1030

BOLT

28

4DM5

NUT

29

4DM10

NUT

30

6660293

CABLE Speed control

31

14D10

NUT

32

6644965

BALL JOINT

33

62D4

NUT

34

6595422

BRACKET Speed cable

35

6596518

BRACKET

36

30H22

CLIP

37

26GM8013

BOLT Was 26GM08012B - A

38

3974868

PIN dowel

Выбрано товаров: 39