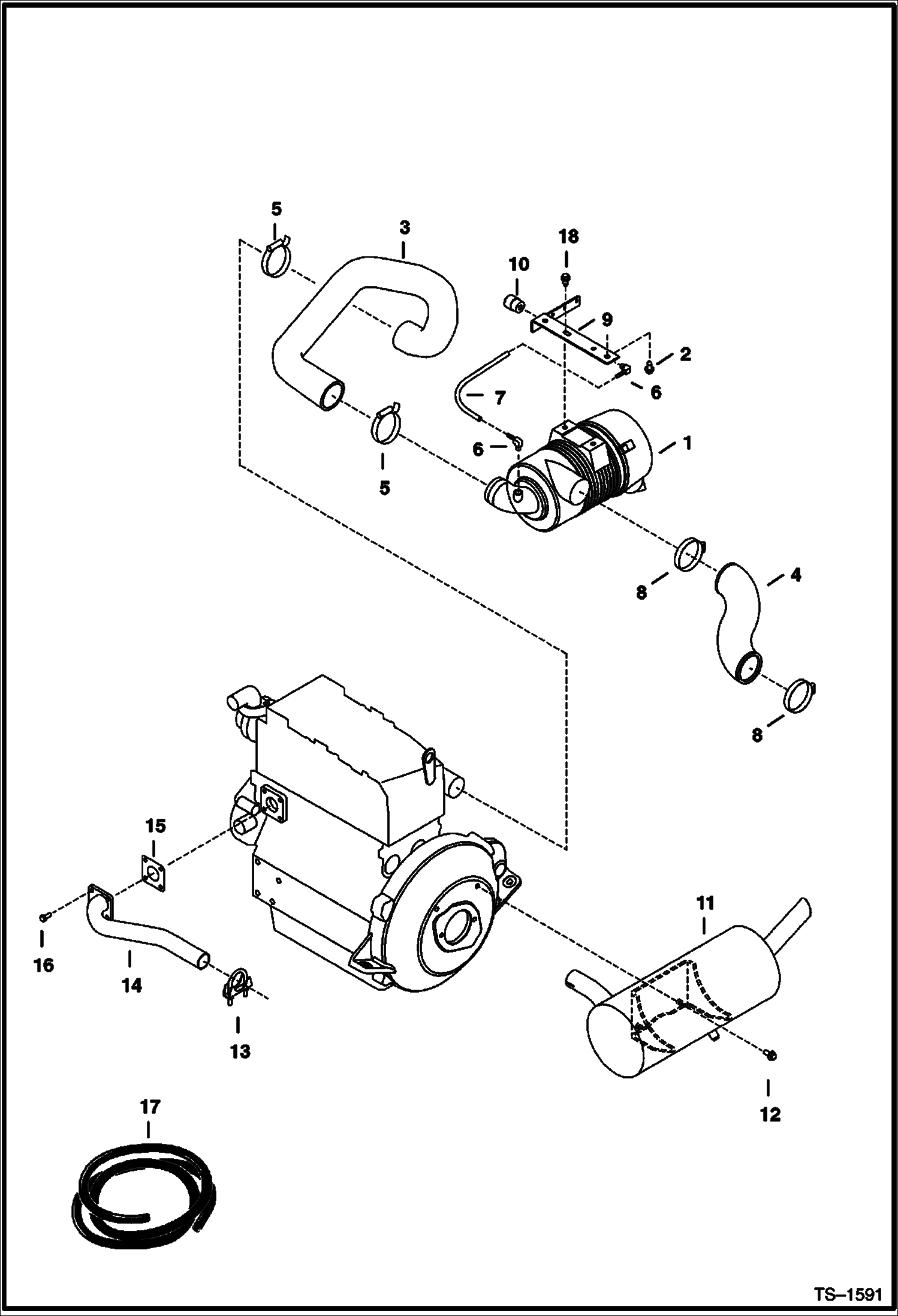
Запчасти Bobcat 334 AIR CLEANER & MUFFLER MOUNTING (S/N 512915200 & Above, 516711001 & Above, 517711001 & Above) POWER UNIT

Схема запчастей Bobcat 334 - AIR CLEANER & MUFFLER MOUNTING (S/N 512915200 & Above, 516711001 & Above, 517711001 & Above) POWER UNIT
FIT
1:1
100%

Артикул

Название

Примечание

Количество

1

6672045

AIR CLEANER See Illustration AIR CLEANER/ PE2909 Assy.

2

26GM10020

BOLT

3

6628380

HOSE

4

6803779

HOSE

5

42H40

HOSECLAM5

6

6515156

CONNECTOR

7

HOSE NLA - Order Ref. 17 (6557720 Hose) - 11'' (280 mm) long

8

42H44

HOSECLAM5 Was 42H000048B - B

9

6628487

BRACKET

10

6515007

GAUGE Air filter condition

11

6667290

MUFFLER Factory Installed

11

6667417

MUFFLER, PURIFIER Field Installed Only

12

29CM1020

BOLT

13

710706

CLAMP Assy.

14

6589114

TUBE Exhaust

15

6727752

GASKET muffler - Was 6575580 - B

16

6701123

SCREW

17

6557720

HOSE Bulk - Sold Per Foot

18

29CM816

SCREW

Выбрано товаров: 19