Качественные детали и логистика
Оригинальные и аналоговые запчасти с доставкой по России, Казахстану и Беларуси
©2022 PartSell ООО "Система" ИНН 2463123282 ОГРН 1212400004838
Центральный офис: г. Красноярск, Академика Киренского, д.87, пом.4
Телефон: 8 (800) 777-65-74 Email: zakaz@partsell.ru
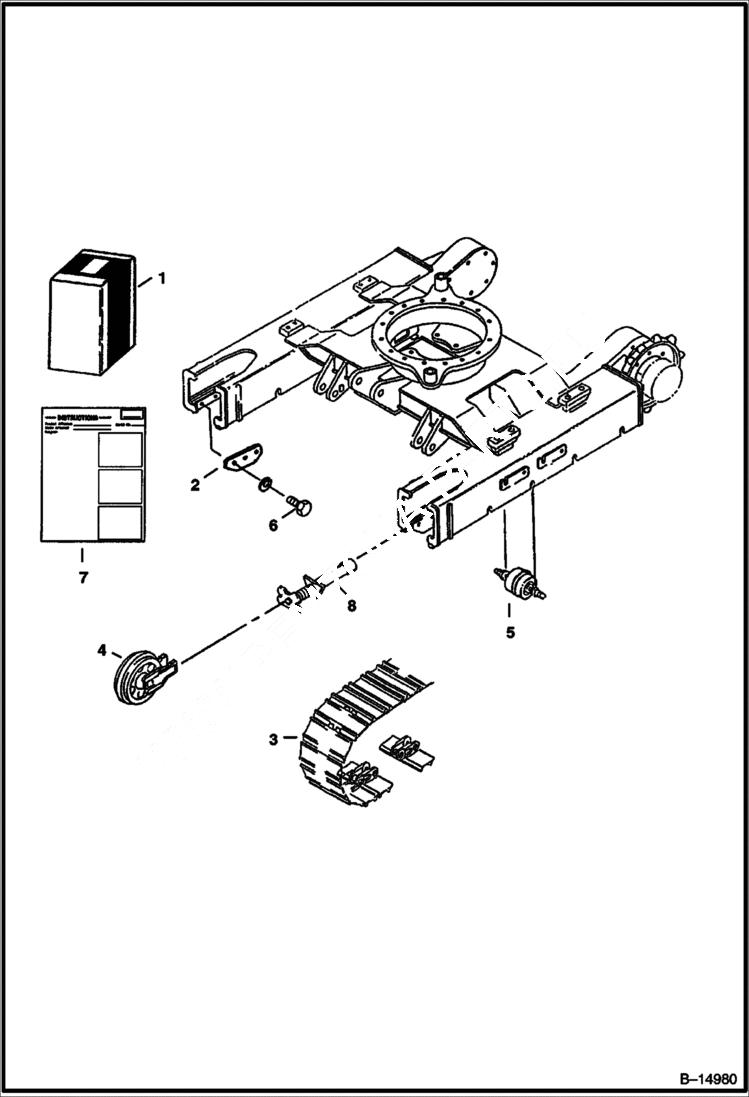
TRACK KIT (Steel)
№
Артикул
Название
Примечание
Количество
1
KIT NLA - Steel track - W/Refs. 2-7 - Order components - Was 6800951 - A
2
6596396
PLATE
3
6536161
TRACK ASSY. See Illustration TRACKS/ B17458
4
7199291
IDLER, ASSY Was 6815121 - A
5
7013576
ROLLER, TRACK Was 6693497 - A
6
26GM10030
BOLT
7
6724807
INSTRUCTIONS
8
RECOIL SPRING See Illustration TRACK TENSIONER/ PE3459
Выбрано товаров: 0