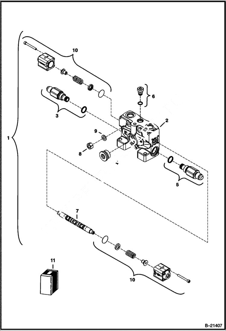
Запчасти Bobcat 334 VALVE SECTION (Slew) (S/N 232512783, 232711434, 232612158 & Above) HYDRAULIC SYSTEM

Схема запчастей Bobcat 334 - VALVE SECTION (Slew) (S/N 232512783, 232711434, 232612158 & Above) HYDRAULIC SYSTEM
FIT
1:1
100%

Артикул

Название

Примечание

Количество

1

6680038

VALVE section - W/Ref. 2 - 10

2

BLOCK NSS - order Ref. 1

3

6680057

PLUG assy.

4

6680058

PLUG assy.

5

6680059

VALVE

6

6680092

VALVE, LOCK LOAD assy.

7

SPOOL NSS - order Ref. 1

8

See Illustration VALVE SECTION/ B21416 - NSS - to order Ref.. 12

9

See Illustration VALVE SECTION/ B21416 - NSS - to order Ref. 12

10

6680067

KIT control

11

6680043

SEAL KIT section

Выбрано товаров: 11