Запчасти Bobcat 334 CRANKCASE POWER UNIT

Схема запчастей Bobcat 334 - CRANKCASE POWER UNIT
FIT
1:1
100%

Артикул

Название

Примечание

Количество

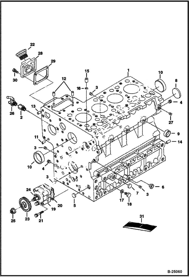
1

6685522

CRANKCASE Assy. - W/Ref. 2-15

2

3974871

CONNECTOR

3

6652574

PLUG

4

6685477

PLUG

5

6652575

PLUG

6

6598187

PLUG

7

6667418

PLUG expansion

8

6657663

PLUG expansion

9

3974389

CAP, SEALING sealing

10

3974390

PLUG sealing - Was 6680639 - A

11

3974393

PIN straight

12

3974394

PIN straight

13

3974395

PIN straight

14

3974868

PIN straight

15

3974037

PIN pipe

16

3974038

O RING

17

3974095

MET-GASK

18

6655884

PLUG

19

6689441

PUMP, OIL ENG Was 3975426 - A

20

6666782

GASKET

21

6655195

BOLT

22

7015273

PLUG, FILL oil fill - Was 6685472 - A

23

3975441

GEAR, CAMSHAFT

24

6969805

KEY,FEATHER Was 15JM00410B - A

25

6653888

NUT

26

6672190

DRAINCOCK

27

16F2

PLUG

28

6685478

FLANGE oil fill

29

6666783

GASKET Was 6684752 - A

30

6652580

BOLT

31

KIT, GASKET ENG LOWER See Illustration LOWER GASKET KIT/ NA2273

Выбрано товаров: 31