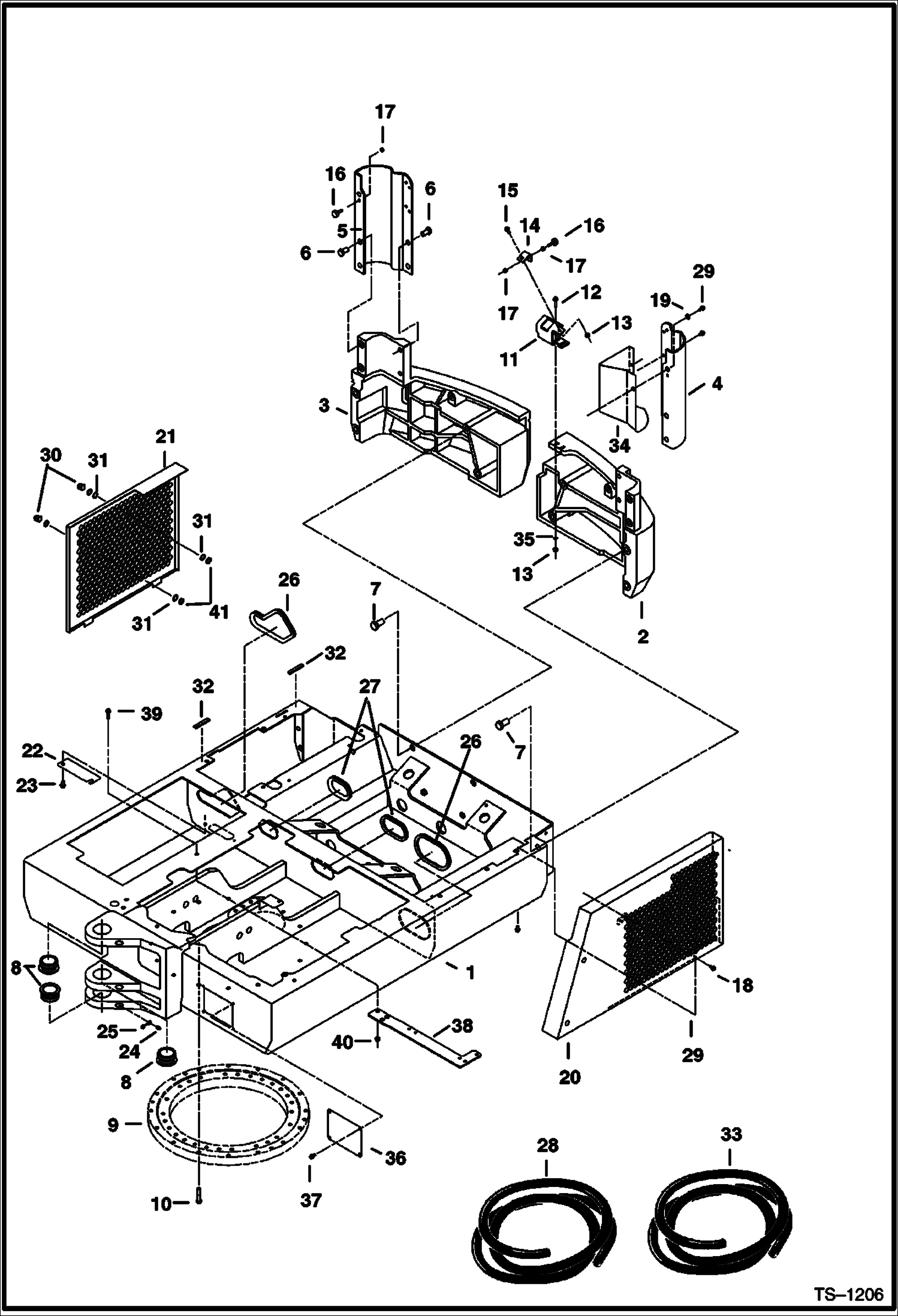
Запчасти Bobcat 334 UPPERSTRUCTURE, COUNTERWEIGHTS & SIDE COVERS (S/N 512913001 - 512915199) MAIN FRAME

Схема запчастей Bobcat 334 - UPPERSTRUCTURE, COUNTERWEIGHTS & SIDE COVERS (S/N 512913001 - 512915199) MAIN FRAME
FIT
1:1
100%

Артикул

Название

Примечание

Количество

1

6628533

UPPERSTRUCTURE Frame

2

6588425

COUNTERWEIGHT NLA - left hand - Was 6588425

3

6588426

COUNTERWEIGHT Right hand

4

6587895

CORNER POST Left hand

5

6588131

CORNER POST Right hand

6

1CM1630

BOLT

7

1CM2040

BOLT

8

6588095

BUSHING, WELD-ON

9

BEARING See Illustration UNDERCARRIAGE/ TS1383 - Swing

10

7CM1260

BOLT

11

6589060

BRACKET latch - rear door

12

29CM840

SCREW

13

43DM8

NUT

14

6588539

ANGLE

15

29CM825

BOLT

16

6655399

BUMPER

17

61D5

NUT

18

26GM8016

SCREW

19

17EM80

WASHER

20

6589525

COVER Left hand

21

6589583

COVER Right hand

22

6596723

COVER

23

26GM10020

BOLT

24

10H25

FITTING, GREASE 5

25

6652943

COVER grease fitting

26

MOULDING NLA - Order Ref. 28 - 20'' (500 mm) long

27

MOULDING NLA - Order Ref. 28 - 12'' (308mm) long

28

6659603

MOLDING Bulk - Order Per Foot

29

26GM8016

SCREW

30

6674389

LOCK ASSY Was 6661695 - A

30

6587458

KEY

31

6536802

WASHER

32

INSULATION NLA - Order Ref. 33 - 3'' (76mm) long

33

SEAL NLA - bulk - sold per foot - Was 6632217 - B

34

TOOL BOX NLA - Was 6596086 - A

35

10EM80

WASHER

36

6800002

PLATE Access

37

26GM8013

BOLT

38

6628826

PLATE Support

39

29CM1020

BOLT

40

43DM10

NUT

41

6675843

NUT

Выбрано товаров: 42