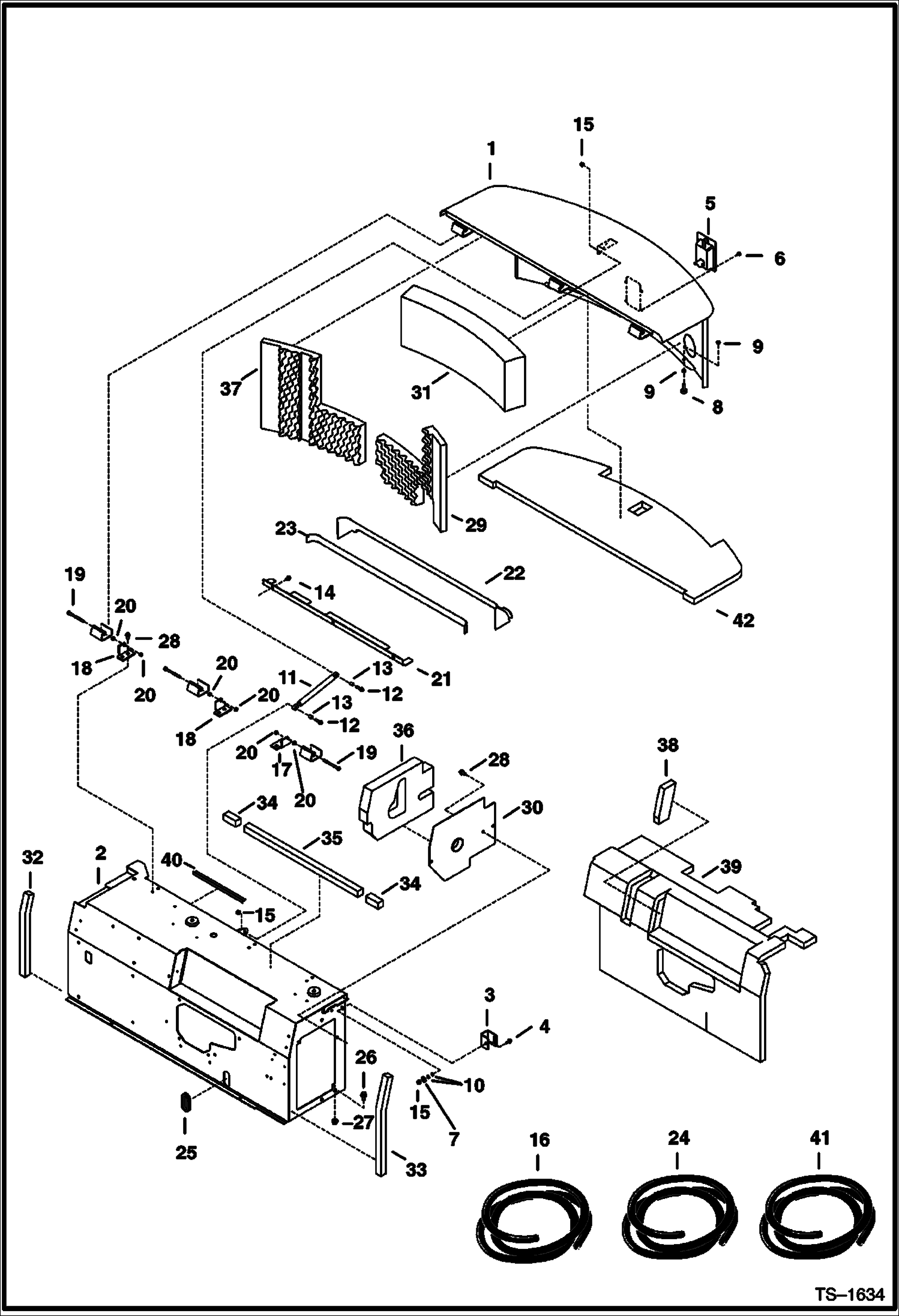
Запчасти Bobcat 334 ENGINE COVERS & INSULATION (S/N 512915200 & Above, 517711001 & Above, and 516711001 & Above) MAIN FRAME

Схема запчастей Bobcat 334 - ENGINE COVERS & INSULATION (S/N 512915200 & Above, 517711001 & Above, and 516711001 & Above) MAIN FRAME
FIT
1:1
100%

Артикул

Название

Примечание

Количество

1

6596912

COVER Engine

2

6803339

COVER

3

6628686

BRACKET

4

29CM820

SCREW

5

6674239

LATCH, COVER ENG Was 6664447 - A

5

6587458

KEY

6

6589675

SCREW

7

17EM80

WASHER

8

6655399

BUMPER

9

61D5

NUT

10

15EM80

WASHER

11

6664262

CYLINDER Gas Spring

12

29CM830

CAPSCREW

13

6588293

BUSHING

14

26GM8016

SCREW

15

43DM8

NUT

16

6554274

INSULATION Bulk - Sold Per Foot

17

6589032

ANGLE

18

6589033

ANGLE

19

1CM890

BOLT

20

4DM8

NUT

21

6588648

SUPPORT

22

6588070

COVER

23

TAPE NLA - Order Ref. 24 - Double backed - for attaching Ref. 22 to the cab/canopy - 48'' (1220 mm) long

24

6665212

TAPE Bulk-Sold Per Foot

25

6512067

GROMMET Was 6533975 - A

26

29CM1225

BOLT

27

51DM12

NUT

28

26GM10020

BOLT

29

6803855

INSULATION

30

6803879

INSULATION

31

6803864

INSULATION

32

INSULATION NLA - Order Ref. 16 - 17'' (430 mm) long

33

INSULATION NLA - Order Ref. 16 - 21'' (500 mm) long

34

INSULATION NLA - Order Ref. 16 - 3'' (76 mm) long

35

INSULATION NLA - Order Ref. 16 - 28'' (712mm) long

36

6803860

INSULATION

37

6803875

INSULATION

38

6803399

INSULATION

39

6803385

INSULATION Fastens to inside of Ref. 2

40

SEAL NLA - Order Ref. 4 - Drip rail - 12'' (305 mm) long

41

6670537

SEAL Bulk - Sold Per Foot

42

6803876

INSULATION

Выбрано товаров: 43