Запчасти Bobcat 334 CAB MOUNTING MAIN FRAME

Схема запчастей Bobcat 334 - CAB MOUNTING MAIN FRAME
FIT
1:1
100%

Артикул

Название

Примечание

Количество

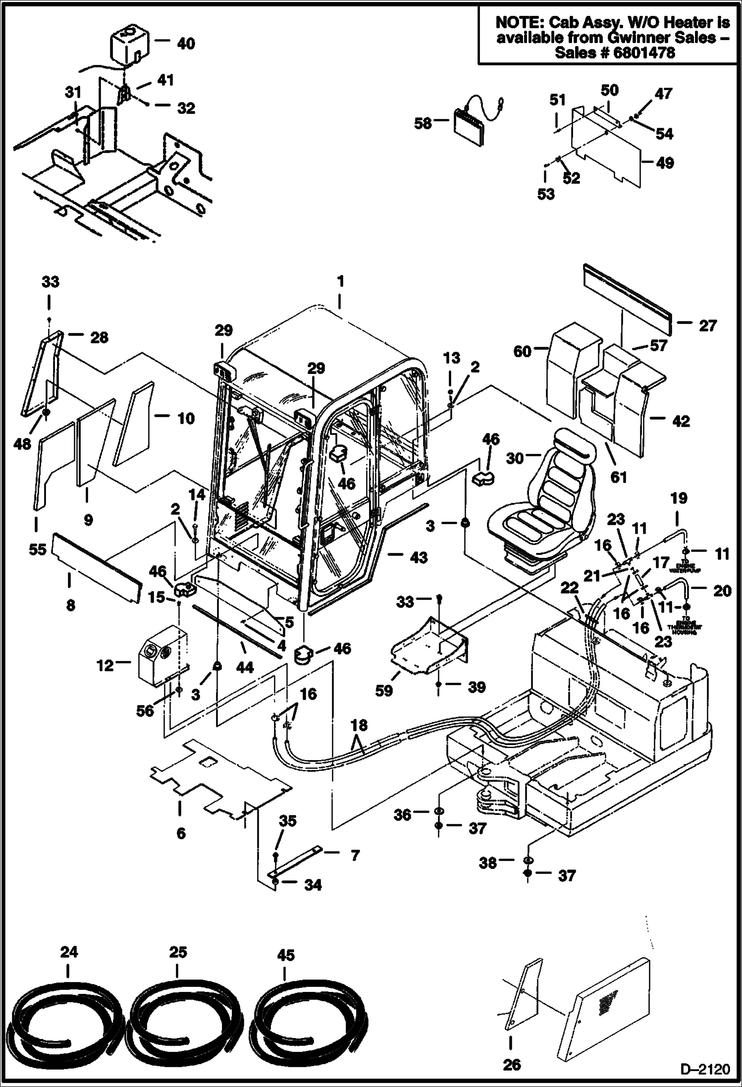
1

See Illustration OPERATOR CAB/ E2377 - NLA

2

6805244

WASHER Was 6597241 - A

3

6560633

DAMPENER

4

6589675

SCREW

5

6588651

PANEL

6

FLOORMAT See BTIE-048 - NLA - Cab - Order 6800529 and modify to fit

6

6800529

FLOORMAT Cab

7

6588794

PLATE Floormat retainer

8

6802959

INSULATION

9

6800884

INSULATION

10

6588798

INSULATION

11

5HM20

CLAMP

12

6665242

HEATER See Illustration HEATER/ C3340

13

1CM1250

BOLT

14

1CM1255

SCREW

15

26GM10020

BOLT

16

5HM23

CLAMP

17

HOSE NLA - Order Ref. 24 - 3'' (75mm) long

18

HOSE NLA - Order Ref. 24 - 70'' (1780mm) long

19

HOSE NLA - Order Ref. 25 - 10'' (250mm) long

20

HOSE NLA - Order Ref. 25 - 12'' (305mm) long

21

6585223

ORIFICE

22

6610510

TIE

23

6564697

TEE

24

889269

HOSE BULK/FT Bulk - Order Per Foot

25

6565977

HOSE Bulk - Order Per Foot

26

6588859

INSULATION

27

6589664

INSULATION

28

6588891

PANEL

29

6664106

LAMP Was 6668722 - A

29

6668721

BULB Replacement bulb for 6668722

30

SEAT See Illustration SEAT/ B17486

31

1DM6

NUT Was 4DM6 - A

32

29CM616

BOLT

33

29CM816

SCREW

34

6503451

SPACER

35

26GM10030

BOLT

36

17EM120

WASHER

37

43DM12

NUT

38

6808506

WASHER Was 6588177 - A

39

51DM8

NUT

40

WASHER KIT NLA - kit - Order 6666767 nozzle, 6691499 tank assy, 6664557 bracket, & 5 feet of 6708310 bulk hose - Was 6664438 - A

40

6691499

TANK ASSY includes 6664554 pump

40

6664554

PUMP, WIPER WASHER

40

6666767

NOZZLE window washer - Was 6664555 - A

40

HOSE NLA - Order 5' of 6708310 bulk hose - Was 6664556 - A

41

6664557

BRACKET

42

6628776

INSULATION

43

FOAM NLA - Order Ref. 45 - 48'' (1220mm) long

44

FOAM NLA - Order Ref. 45 - 84'' (2135mm) long

45

6511855

SEAL self adhesive - bulk - sold per foot

46

6807987

INSULATION Was 6589659 - A

47

6675843

NUT

48

43DM8

NUT

49

6589656

PANEL Storage - cab models

49

6589655

PANEL Storage - canopy models

50

6589657

ANGLE

51

6630207

RIVET 5

52

6674389

LOCK ASSY Was 6661695 - A

53

6587458

KEY

54

6536802

WASHER

55

6800883

INSULATION

56

17EM100

WASHER

57

6628775

INSULATION

58

6900465

HANDBOOK Operators - English

59

See Illustration CONTROL CONSOLE, FLOORBOARDS AND SEAT/ TS1391 - seat

60

6628774

INSULATION

61

6597264

INSULATION

Выбрано товаров: 68