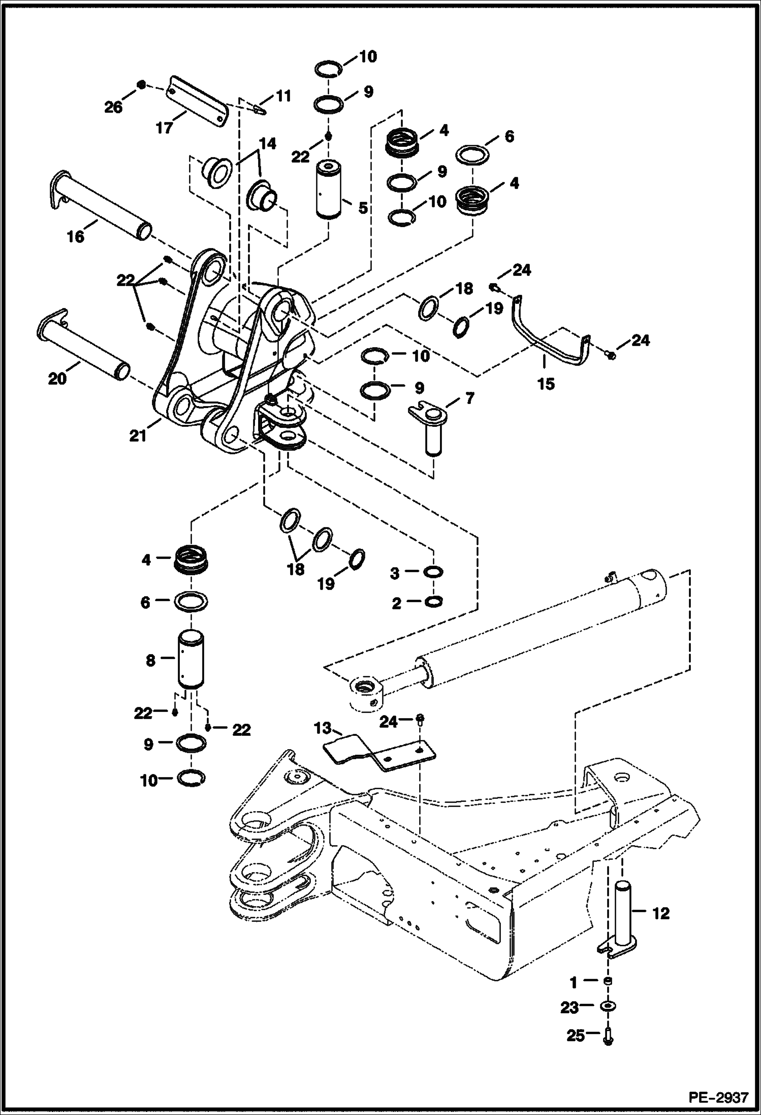
Запчасти Bobcat 335 SWING FRAME WORK EQUIPMENT

Схема запчастей Bobcat 335 - SWING FRAME WORK EQUIPMENT
FIT
1:1
100%

Артикул

Название

Примечание

Количество

1

6503451

SPACER

2

6665618

RING

3

6666549

WASHER

4

6807956

BUSHING

5

PIN NLA - Order 7135322 - Was 6807961 - A

5

7135322

PIN Do not use Ref. 9 on bottom side with this pin.

6

6807962

WASHER

7

6807964

PIN

8

PIN NLA - Order 7135321 - Was 6807965 - A

8

7135321

PIN Do not use Ref. 9 on bottom side with this pin.

9

6808174

WASHER

10

6808175

RING

11

6808211

BOLT

12

6808267

PIN

13

6808984

BRACKET

14

6811457

BUSHING

15

6812656

TUBE

16

6812674

PIN

17

6812682

STRAP

18

6812687

WASHER

19

6812713

RING

20

6817239

PIN

21

7123927

SWING FRAME

22

10H25

FITTING, GREASE 5

23

17EM120

WASHER

24

29CM1020

BOLT

25

29CM1235

BOLT

26

51DM10

NUT

Выбрано товаров: 28