Качественные детали и логистика
Оригинальные и аналоговые запчасти с доставкой по России, Казахстану и Беларуси
©2022 PartSell ООО "Система" ИНН 2463123282 ОГРН 1212400004838
Центральный офис: г. Красноярск, Академика Киренского, д.87, пом.4
Телефон: 8 (800) 777-65-74 Email: zakaz@partsell.ru
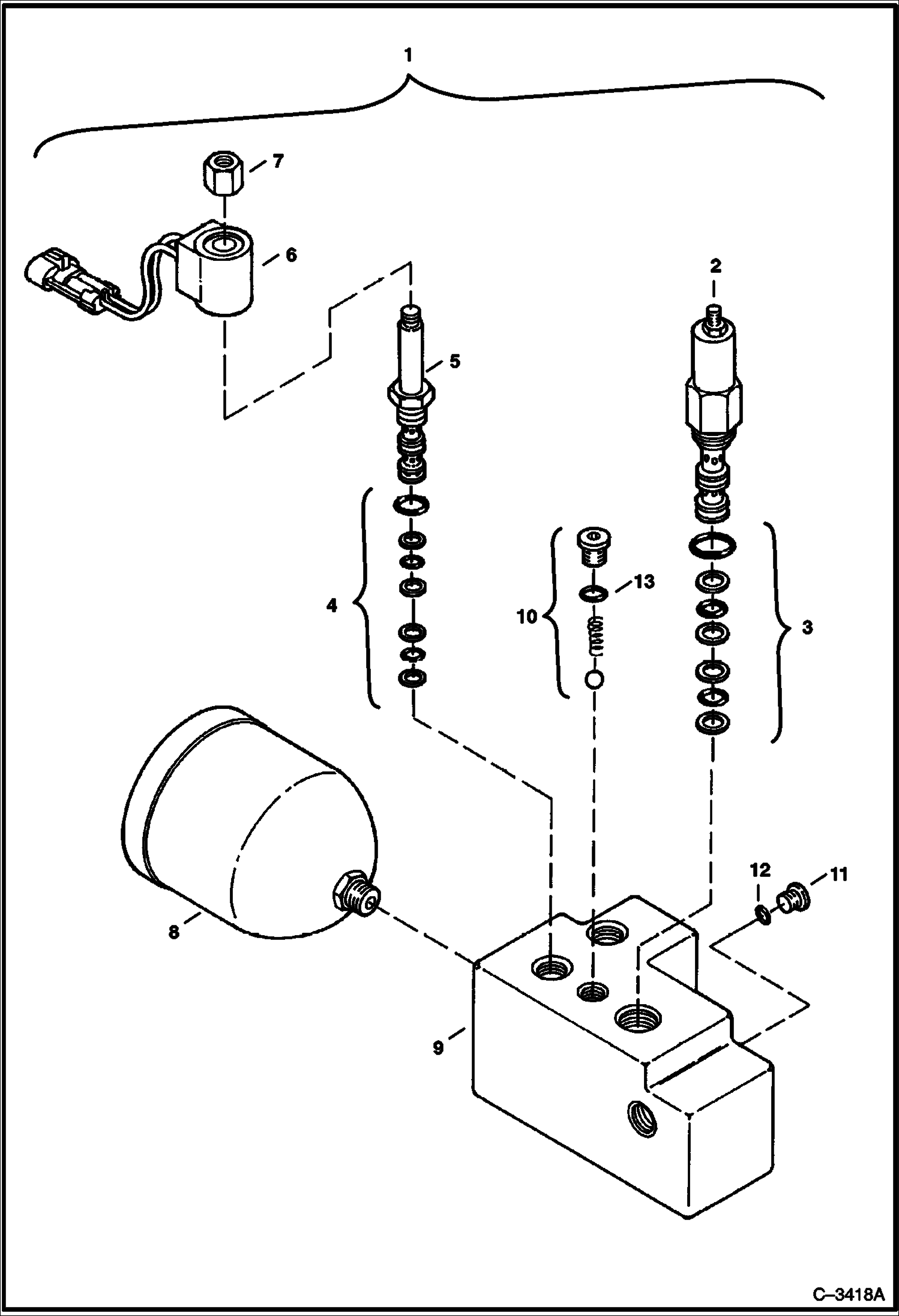
ACCUMULATOR VALVE (S/N 515411497 - 12502 and 230611001 - 11203)
№
Артикул
Название
Примечание
Количество
1
VALVE NLA - Assy. - W/Refs. 2-13 - Order 6675141 - Was 6673712 - A
2
6673876
RELIEF VALVE pressure reducing
3
6669325
SEAL KIT
4
6669326
5
6669534
SPOOL solenoid
6
6669533
SOLENOID
7
6669532
NUT
8
6669537
ACCUMULATOR non-rechargeable
9
BLOCK NLA - Order Ref. 6675141 - Was 6669536 - A
10
6669538
CHECK VALVE W/Ref. 13
11
47K5
PLUG W/Ref. 12
12
79K6
O RING 10
13
79K4
Выбрано товаров: 0