Качественные детали и логистика
Оригинальные и аналоговые запчасти с доставкой по России, Казахстану и Беларуси
©2022 PartSell ООО "Система" ИНН 2463123282 ОГРН 1212400004838
Центральный офис: г. Красноярск, Академика Киренского, д.87, пом.4
Телефон: 8 (800) 777-65-74 Email: zakaz@partsell.ru
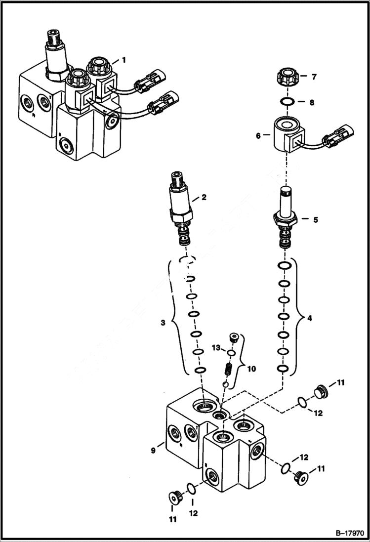
PRESSURE REDUCING VALVE (S/N 515412503 & Above and 230611204 & Above)
№
Артикул
Название
Примечание
Количество
1
6675145
VALVE Assy. - W/Refs. 2 - 13
2
6675355
RELIEF VALVE pressure reducing
3
6669325
SEAL KIT
4
6669326
5
6675352
SOLENOID Solenoid
6
6675351
COIL
7
6675359
NUT W/Ref. 8
8
O-RING NSS - Order Ref. 7
9
BLOCK NLA - Order 6675145 - Was 6675356 - A
10
6675348
VALVE W/Ref. 12
11
6675347
PLUG W/Ref. 13
12
79K6
O RING 10
13
79K4
Выбрано товаров: 0