Качественные детали и логистика
Оригинальные и аналоговые запчасти с доставкой по России, Казахстану и Беларуси
©2022 PartSell ООО "Система" ИНН 2463123282 ОГРН 1212400004838
Центральный офис: г. Красноярск, Академика Киренского, д.87, пом.4
Телефон: 8 (800) 777-65-74 Email: zakaz@partsell.ru
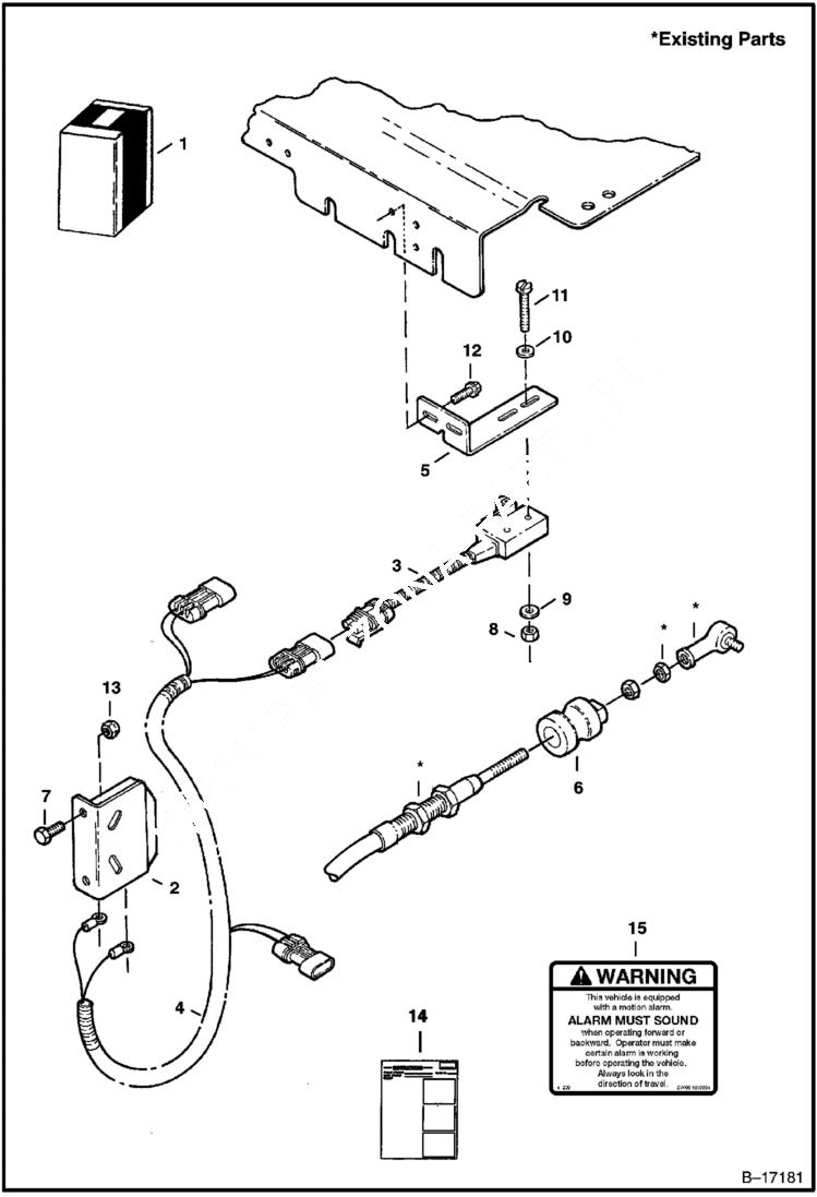
MOTION ALARM
№
Артикул
Название
Примечание
Количество
1
6803987
KIT Motion Alarm - W/Refs. 2 - 14
2
6651512
ALARM, BACK-UP Also Order Ref. 15 - Was 6599931 - A
3
6661150
SWITCH, ROLLER MICRO
4
6715976
HARNESS
5
6803988
BRACKET
6
6803989
ACTUATOR
7
1CM616
SCREW
8
12D6
NUT 10
9
12E6
WASHER
10
25E6
WSHR
11
45G616
BOLT
12
26GM10020
13
43DM6
NUT
14
6900596
INSTRUCTION
15
6810004
DECAL, WARNING
Выбрано товаров: 0