Запчасти Bobcat 337 X-CHANGE KIT (Bolt On) ACCESSORIES & OPTIONS

Схема запчастей Bobcat 337 - X-CHANGE KIT (Bolt On) ACCESSORIES & OPTIONS
FIT
1:1
100%

Артикул

Название

Примечание

Количество

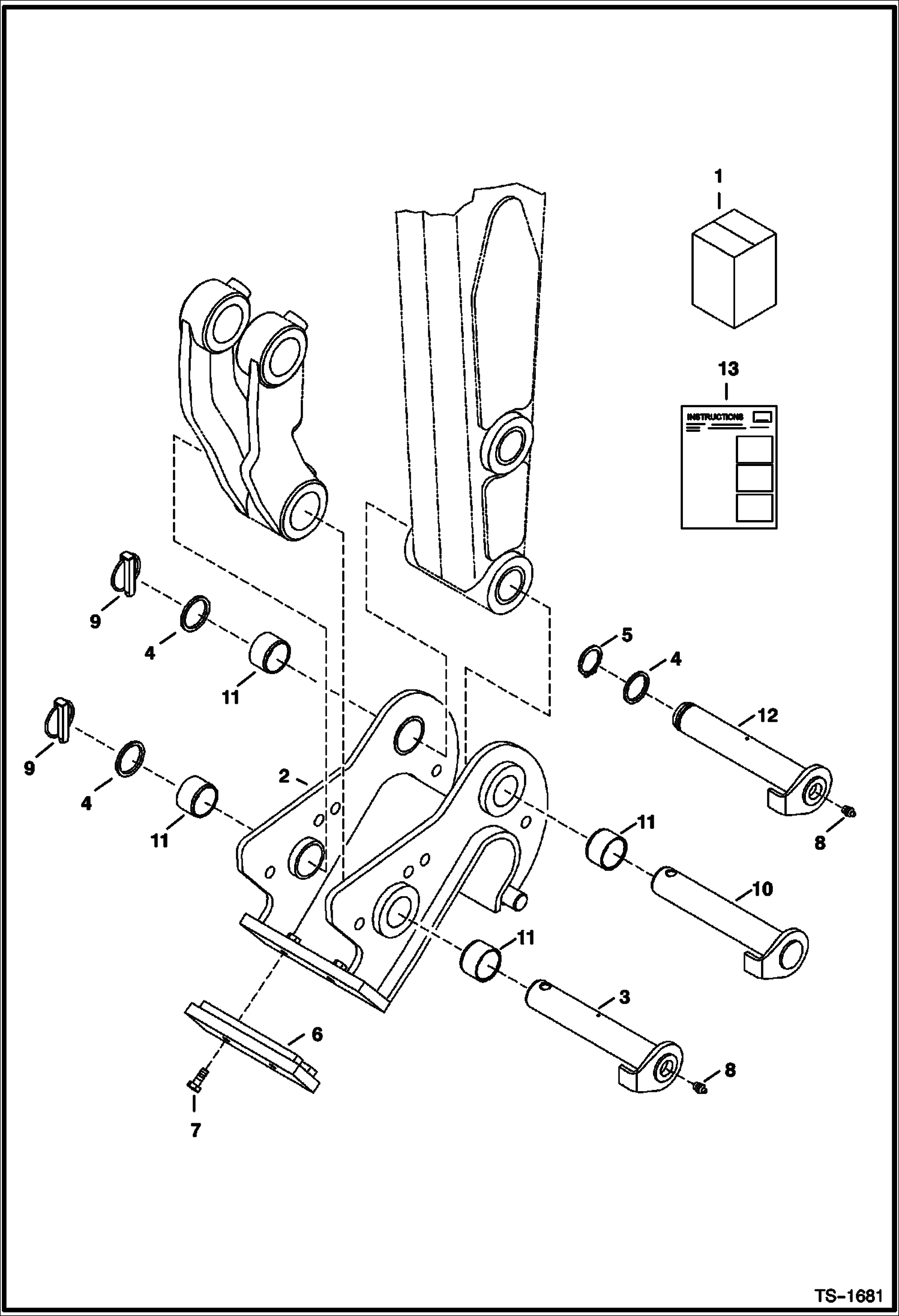
1

6803411

KIT Bolt on X-Change, Ref. 2-4 & 6-10, & 13

2

X-CHANGEt NLA - Bolt-on - Order 6803412 - Replaceable bushings - Was 6804800 - A

2

6803412

X-CHANGE W/O replaceable bushings, also order wide link kit 6804792

3

6807053

PIN, PIVOT X-CHANGE

4

6628547

WASHER

5

6668787

RING not in kit - Use W/NLA pin

6

6804485

PLATE Was 6803175 - C

7

17C1052

BOLT Was 7CM01680B - A

8

10H25

FITTING, GREASE 5

9

6668928

LOCK PIN Retaining

10

PIN See BTIE-081 - arm end

11

6802703

BUSHING, PRESS FIT X-Change W/rplmnt bushings

12

PIN NLA - Order 6807053 & Ref. 10 - W/NLA Pin, Use Ref. 5 - Was 6805457 - A

13

6900409

INSTRUCTIONS

Выбрано товаров: 14