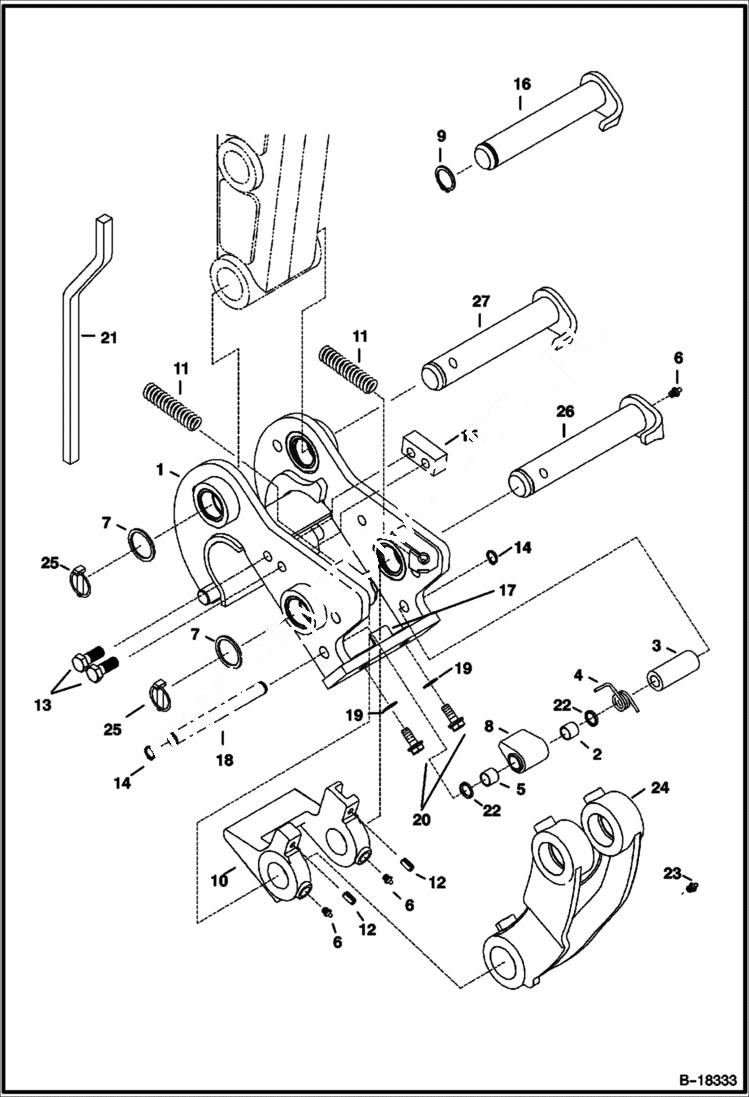
Запчасти Bobcat 337 X-CHANGE MOUNTING (S/N 515411001 - 515411489) ACCESSORIES & OPTIONS

Схема запчастей Bobcat 337 - X-CHANGE MOUNTING (S/N 515411001 - 515411489) ACCESSORIES & OPTIONS
FIT
1:1
100%

Артикул

Название

Примечание

Количество

1

MOUNT NLA - Order 6810247 (1), 6806589 (1), 6802703 (4), 6804969 (2), 6561741 (1 foot), 6536748 (1) and 7CM01435B (1) - Was 6801869 - A

2

6671523

BUSHING

3

6804525

SPACER Was 6801873 - D

4

6804386

SPRING, TORSION Was 6802072 - D

5

6672019

BUSHING Was 6670859 - D

6

10H25

FITTING, GREASE 5

7

6628547

WASHER Was 6803030 - D

8

6804534

CATCH, X-CHANGE Was 6801877 - D

9

6668787

RING Was 51DM00016B - D

10

LATCH NLA - 5.825'' (148 mm) wide

10

6806587

LATCH, X-CHANGE KIT 5.08'' (129 mm) wide

11

6801882

SPRING

12

2JM1020

ROLL PIN Spring

13

1CM1640

BOLT

14

6662745

SNAP RING

15

6803011

BLOCK

16

PIN NLA - Use W/Ref. 9 - Order Refs. 25 & 26 - Was 6805457 - A

17

6803570

STOP Early Models only

18

6803815

PIN

19

17EM100

WASHER Early Models only

20

26GM10030

BOLT Early Models Only

21

6807074

LEVER Release - Was 6803510 - A

22

6681505

SEAL Was 6672517 - A

23

10H35

FITTING, GREASE 10

25

6668928

LOCK PIN Retaining

26

6807053

PIN, PIVOT X-CHANGE Use W/Ref. 25

27

PIN See BTIE-081

Выбрано товаров: 27