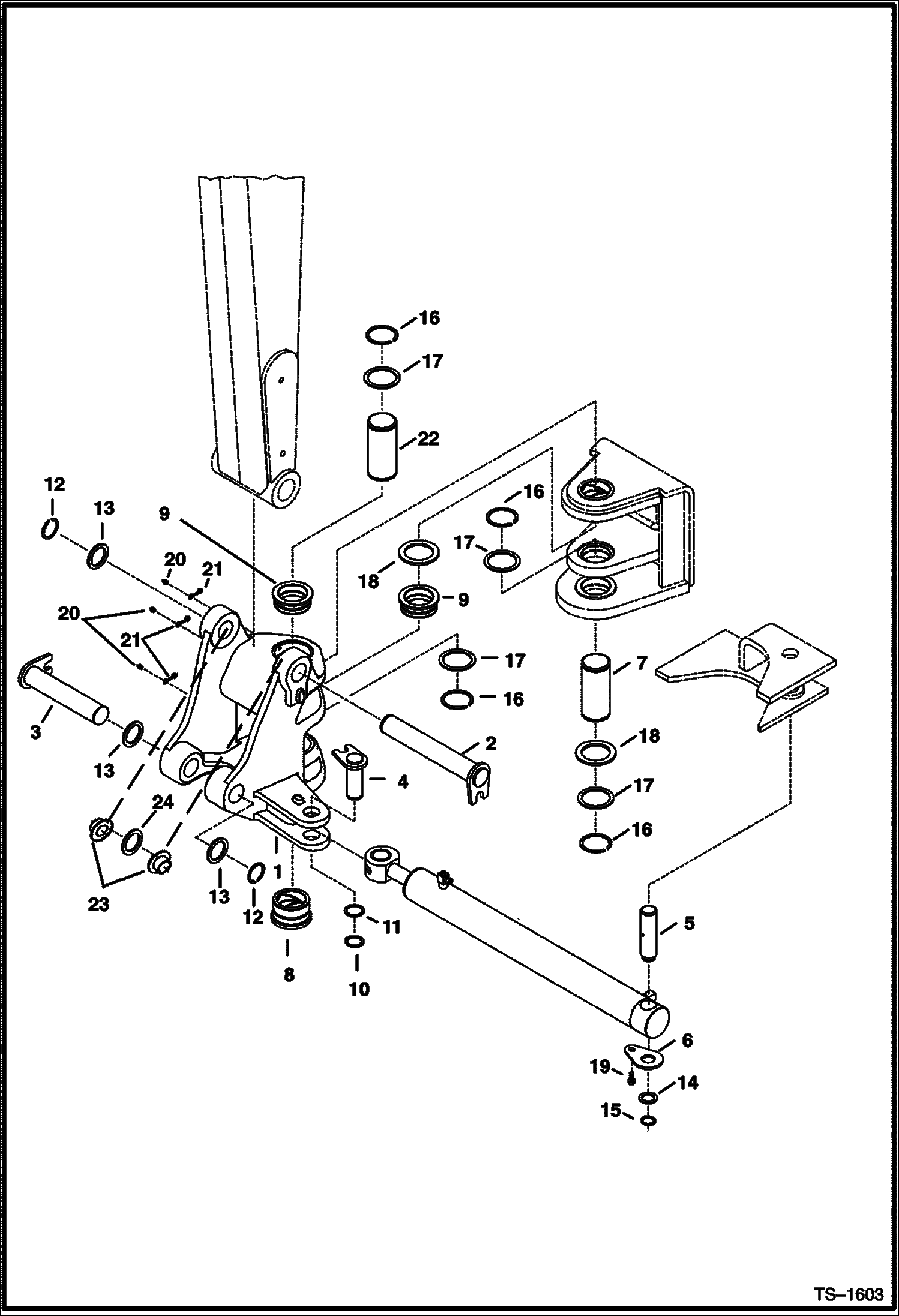
Запчасти Bobcat 337 SWING BRACKET WORK EQUIPMENT

Схема запчастей Bobcat 337 - SWING BRACKET WORK EQUIPMENT
FIT
1:1
100%

Артикул

Название

Примечание

Количество

1

SWING FRAME NLA - Order 6810593 - Was 6597897 - A

1

6810462

FRAME 337D-341D Uses bushing, Ref. 23 - Was 6810593 - A

2

6628115

PIN

3

6628117

PIN

4

6628155

PIN

5

6628450

PIN

6

6628460

PLATE Pin

7

PIN NLA - Order 7135325 - Was 6806617 - A

7

7135325

PIN Do not use Ref. 17 on bottom side with this pin.

8

6628101

BUSHING

9

6628102

BUSHING

10

6668787

RING

11

6628547

WASHER

12

6660274

SNAP RING

13

6538893

WASHER

14

6534111

WASHER

15

6534154

RING

16

6668199

RING

17

6628338

WASHER

18

6628339

WASHER

19

29CM1025

BOLT

20

10H25

FITTING, GREASE 5

21

6652943

COVER grease fitting

22

PIN NLA - Order 7135326 - Was 6807742 - A

22

7135326

PIN Do not use Ref. 17 on bottom side with this pin.

23

6810592

BUSHING

23

6810592

BUSHING

24

6810703

SPACER as required

Выбрано товаров: 0