Запчасти Bobcat 337 HYDROSTATIC PUMP HYDRAULIC SYSTEM

Схема запчастей Bobcat 337 - HYDROSTATIC PUMP HYDRAULIC SYSTEM
FIT
1:1
100%

Артикул

Название

Примечание

Количество

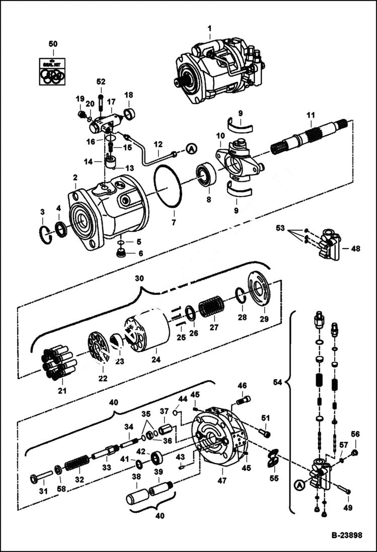
1

6675294

PUMP, HYD Ref. 2 - 49

2

6676370

HOUSING

3

6676379

RETAINER

4

6676378

SEAL

5

6671748

PLUG W/Ref. 6

6

6671787

O-RING

7

O-RING NSS - order Ref. 49

8

6676375

BEARING

9

6676377

DISK

10

6676372

YOKE

11

6676373

SHAFT

12

6676384

TUBE includes fittings

13

6676393

PIN Was 6687773 - A

14

6676391

CARRIER

15

SCREW

16

6672241

O-RING

17

6686768

VALVE does not include spring seat - Also Order 6679148 spring & 6679149 spring - Was 6676383 - D

17

79K20

O RING 10 end plug

17

6679148

SPRING

17

6679149

SPRING

17

6682172

SEAL washer

18

6686775

CAP, INSULATION Was 6676394 - A

19

6671783

PLUG

20

6671784

O-RING

21

PISTON NSS - order Ref. 30

22

PLATE NSS - order Ref. 30

23

RETAINER NSS - ball - order Ref. 30

24

BARREL NSS - order Ref. 30

25

PIN NSS

26

CLIP NSS

27

SPRING NSS

28

SNAP RING NSS

29

6676386

PLATE

30

ROTARY GROUP NLA - Ref. 21-29 - Order 6675294 pump - Was 6676368 - A

31

PISTON NSS

32

SPRING NSS

33

GUIDE NSS

34

SCREW NSS

35

6677558

O-RING

36

NUT NSS

37

NUT NSS

38

PISTON NSS

39

GUIDE NSS

40

6676369

PISTON ASSY Ref. 21 - 39

41

6676374

DISC adjusting

42

6676376

BEARING

43

6676382

DOWEL

44

O-RING NSS

45

6686758

PLUG, TEAR OFF Was 6676385 - A

46

6676389

O-RING Was 6676380 - A

47

6676371

BLOCK

48

CONTROL See Illustration CONTROL VALVE/ B15928 - Use W/ O-rings - A

48

6686767

PLUG goes in the X port - Was 6692557 - D

48

PLUG NSS - goes behind each spool - metric (70 or 90 durometer)

49

6672255

BOLT

50

6677703

SEAL KIT W/Ref. 4, 5, 7, 16, 20, 44 & Ref. 3, 6, 10, 11 & 12 on Ill. B15928

51

6679137

PLUG allen head

52

6676392

SCREW

53

6686765

O-RING

54

7001950

CONTROL Use W/gasket - must replace gasket each time controller is removed

55

6691519

GASKET one time use - must replace when controller is removed

56

6691491

PLUG W/Ref. 57

57

O-RING NLA - Order Ref. 56

58

O-RING NSS

Выбрано товаров: 0