Запчасти Bobcat 337 CONTROL VALVE (DRG) HYDRAULIC SYSTEM

Схема запчастей Bobcat 337 - CONTROL VALVE (DRG) HYDRAULIC SYSTEM
FIT
1:1
100%

Артикул

Название

Примечание

Количество

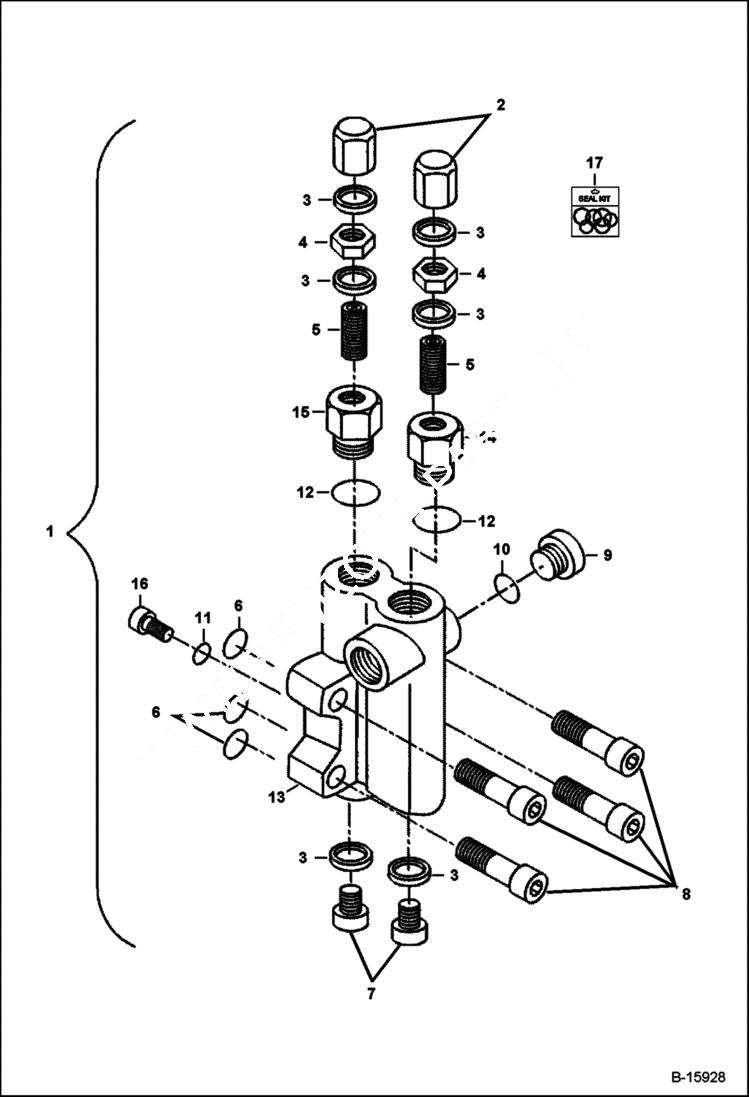
1

6676381

VALVE See Illustration HYDROSTATIC PUMP/ B23898 W/Refs. 2-13

1

6686767

PLUG goes in the X port - Was 6692557 - D

1

PLUG NSS - goes behind each spool - metric (70 or 90 durometer)

2

6672249

NUT Acorn - Was 6676387 - D

3

6672250

SEAL Included W/Ref. 17

4

6672251

NUT Jam

5

6676388

SCREW

6

6672253

O-RING Include W/Ref. 17

7

6672254

PLUG

8

6672255

BOLT

9

6671783

PLUG W/Ref. 10

10

6671784

O-RING Include W/Ref. 17

11

6672256

O-RING Include W/Ref. 17

12

6676389

O-RING Include W/Ref. 17

13

HOUSING NSS - Order Ref. 1

14

PLUG NSS - Order Ref. 1

15

PLUG NSS - Order Ref. 1

16

PIN NSS - Order Ref. 1

17

6686695

SEAL KIT Include Refs. 3, 6 & 10-12 - Was 6672243 - A

Выбрано товаров: 19