Качественные детали и логистика
Оригинальные и аналоговые запчасти с доставкой по России, Казахстану и Беларуси
©2022 PartSell ООО "Система" ИНН 2463123282 ОГРН 1212400004838
Центральный офис: г. Красноярск, Академика Киренского, д.87, пом.4
Телефон: 8 (800) 777-65-74 Email: zakaz@partsell.ru
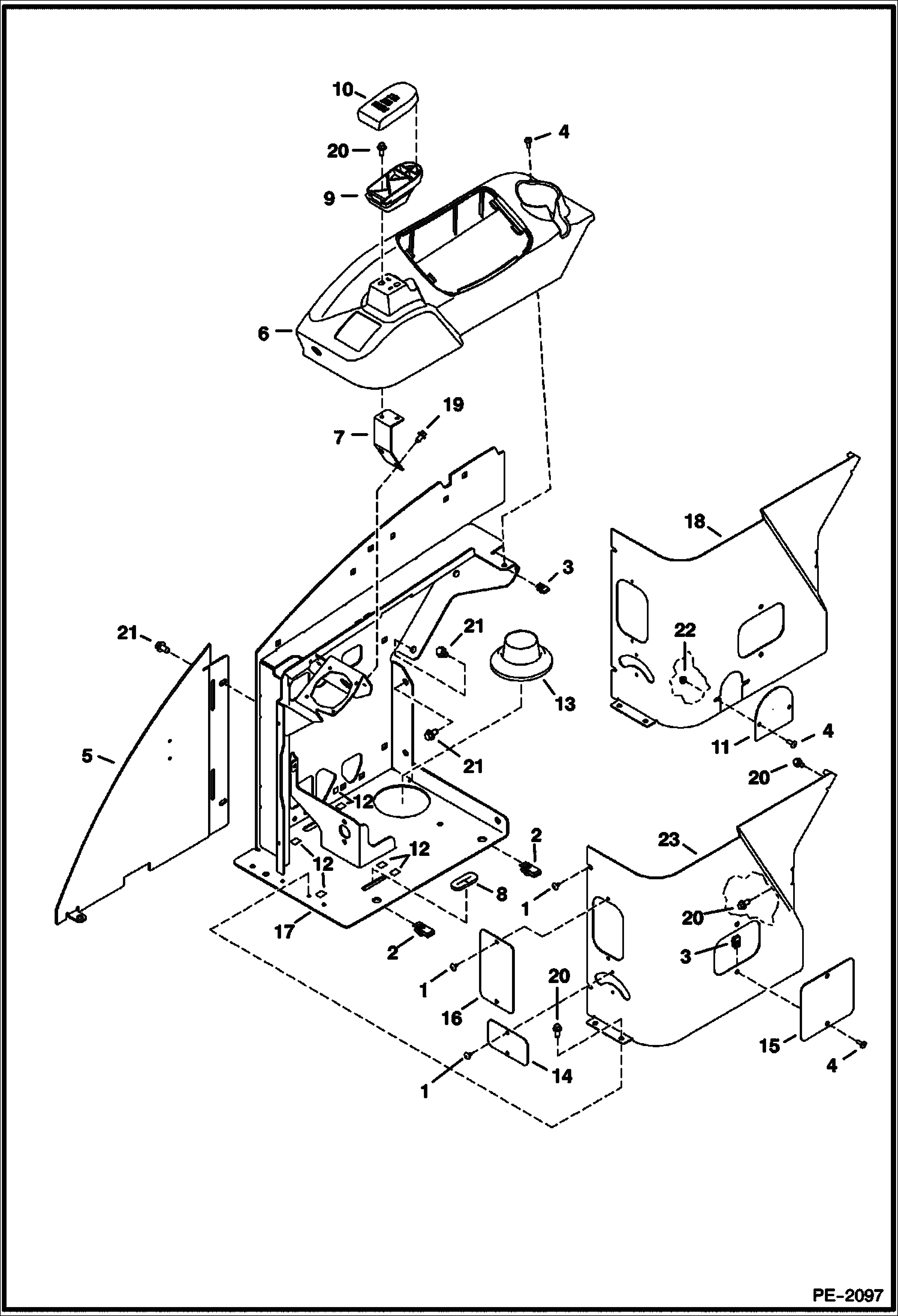
RH CONSOLE
№
Артикул
Название
Примечание
Количество
1
6589675
SCREW
2
6675722
NUT
3
6676026
4
6803202
5
6806908
PLATE
6
6807033
COVER
7
6807362
SUPPORT
8
7138383
SEAL Was 7110793 - A
9
6807982
MOUNT
10
6807983
COVER armrest
11
6809850
12
6809859
13
6810671
BOOT
14
6812065
15
6814933
16
6814934
17
7134131
CONSOLE W/A - Was 7130418 - A
18
6815976
PANEL
19
26GM8016
20
26GM8020
21
26GM10020
BOLT
22
43DM6
23
7135636
PANEL lower R.H. - W/O hole
Выбрано товаров: 0