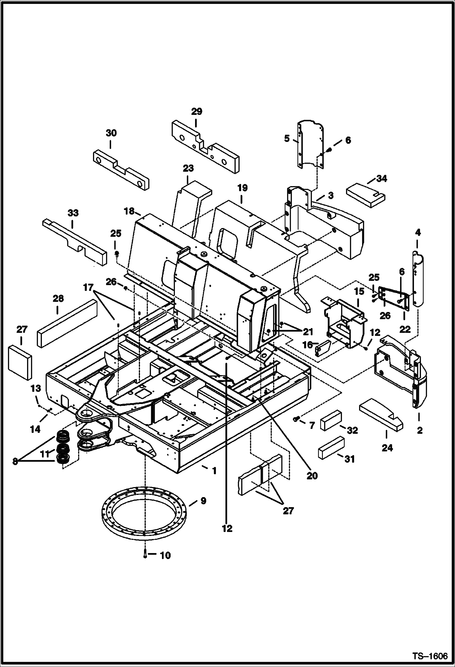
Запчасти Bobcat 337 UPPERSTRUCTURE & COUNTERWEIGHTS MAIN FRAME

Схема запчастей Bobcat 337 - UPPERSTRUCTURE & COUNTERWEIGHTS MAIN FRAME
FIT
1:1
100%

Артикул

Название

Примечание

Количество

1

6800658

UPPERSTRUCTURE Frame

2

6588425

COUNTERWEIGHT NLA - left hand - Was 6588425

3

6588426

COUNTERWEIGHT Right Hand

4

6587895

CORNER POST Left Hand

5

6588131

CORNER POST Right Hand

6

1CM1630

BOLT

7

1CM2040

BOLT

8

6628102

BUSHING

9

BEARING See Illustration UNDERCARRIAGE/ B18231 - Swing

10

7CM1470

BOLT

11

6628101

BUSHING

12

26GM10020

BOLT

13

10H25

FITTING, GREASE 5

14

6652943

COVER Grease Fitting

15

6800303

COUNTERWEIGHT Battery Box

16

6801234

COUNTERWEIGHT

17

20JM1025

DOWEL PIN

18

6628688

COVER Front Engine

19

6628691

INSULATION

20

29CM1225

BOLT

21

51DM12

NUT

22

6804017

BRACE L.H.

23

6804029

INSULATION

24

6805010

INSULATION

25

29CM1025

BOLT

26

51DM10

NUT

27

6804997

INSULATION Was 6804031 - A

28

6804998

INSULATION

29

6805004

INSULATION

30

6805005

INSULATION

31

6805006

INSULATION

32

6805007

INSULATION

33

6805008

INSULATION

34

6805009

INSULATION

Выбрано товаров: 34