Запчасти Bobcat 337 UNDERCARRIAGE UNDERCARRIAGE

Схема запчастей Bobcat 337 - UNDERCARRIAGE UNDERCARRIAGE
FIT
1:1
100%

Артикул

Название

Примечание

Количество

1

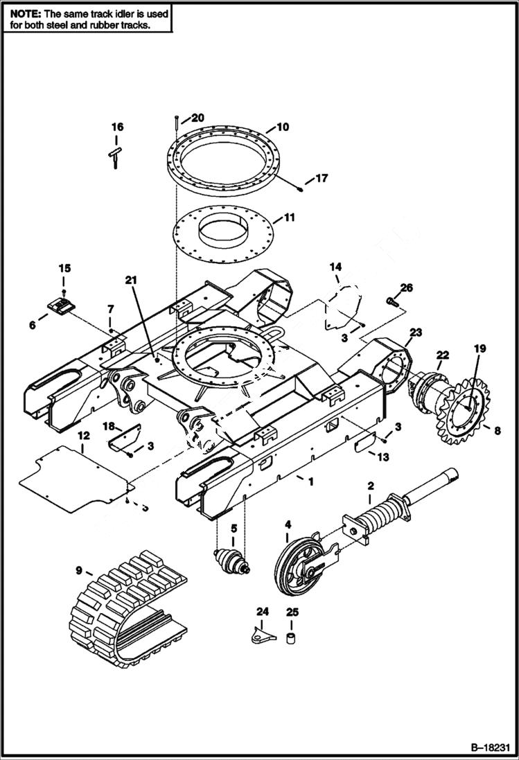
TRACK FRAME See BTIE-083 - NLA - Was 6627733 - A

1

TRACK FRAME See BTIE-083 - NLA - Was 6807557 - A

2

SPRING See Illustration TRACK TENSIONER/ PE1912 - Recoil

3

26GM10030

BOLT

4

IDLER ASSY See Illustration FRONT IDLER/ B17015

5

TRACK ROLLER See Illustration TRACK ROLLER/ C3480 - Rubber

5

TRACK ROLLER See Illustration TRACK ROLLER/ B17017 - Steel

6

6628407

BRACKET Track slide

7

45DM10

NUT 10

8

6812134

SPROCKET Was 6627722 - A

9

TRACK, RUBBER See Illustration TRACKS/ NA6193

9

TRACK, STEEL See Illustration TRACKS/ NA1888

10

6668731

SWING BEARING Teeth on swing gear

11

6627719

FLANGE

12

6627732

COVER

13

6596723

COVER

14

6803830

COVER Was 6627730 - C

15

29CM1035

SCREW

16

PIN Alignment - Service tool for aligning swing bearing when upper structure has been removed from undercarriage - See Service Manual for description

17

6652970

GREASE FITTING

18

6628758

GUIDE Guide - used with steel tracks only

19

7CM1435

BOLT

20

7CM12100

BOLT

21

47DM12

NUT, FLANGE

22

DRIVE MOTOR See Illustration TRAVEL MOTOR/ D2403

23

6627750

PLATE Travel Motor Mount

24

6808952

PLATE house lock - weld on

25

6627745

BUSHING house lock - weld on

26

7CM1435

BOLT

Выбрано товаров: 29