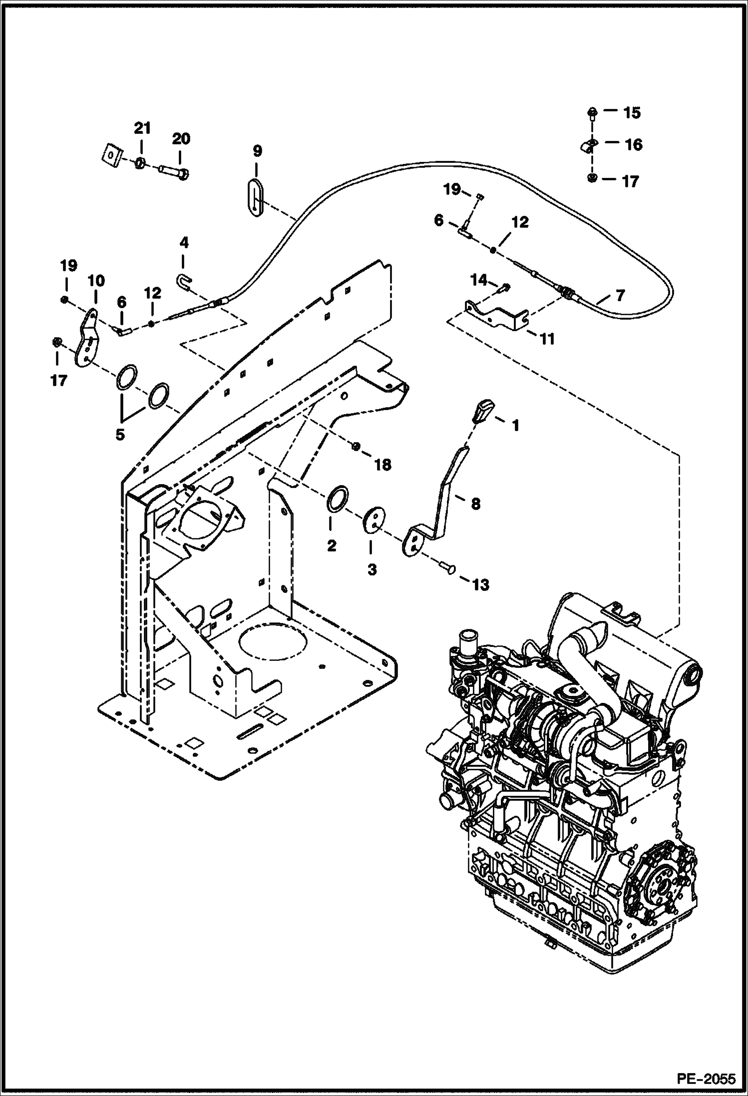
Запчасти Bobcat 337 CONTROLS (Throttle) CONTROLS

Схема запчастей Bobcat 337 - CONTROLS (Throttle) CONTROLS
FIT
1:1
100%

Артикул

Название

Примечание

Количество

1

6564452

GRIP

2

6567962

WASHER

3

6567963

SPACER

4

6592766

U-BOLT

5

6630945

WASHER

6

6644965

BALL JOINT

7

6675668

CABLE, THROTTLE

8

6807296

LEVER

9

7138383

SEAL

10

6816922

BRACKET

11

6817982

BRACKET

12

14D10

NUT

13

28CM830

BOLT

14

29CM620

SCREW

15

29CM616

BOLT

16

30H22

CLIP

17

43DM8

NUT

18

61D5

NUT

19

62D4

NUT

20

4CM835

BOLT for high idle adjustment

21

4DM8

NUT for high idle adjustment

Выбрано товаров: 21