Качественные детали и логистика
Оригинальные и аналоговые запчасти с доставкой по России, Казахстану и Беларуси
©2022 PartSell ООО "Система" ИНН 2463123282 ОГРН 1212400004838
Центральный офис: г. Красноярск, Академика Киренского, д.87, пом.4
Телефон: 8 (800) 777-65-74 Email: zakaz@partsell.ru
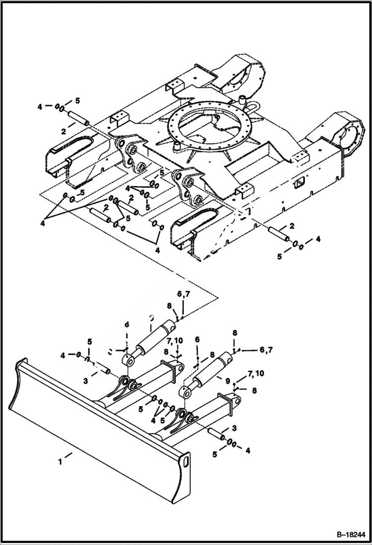
BLADE
№
Артикул
Название
Примечание
Количество
1
BLADE NLA - Order 6808828 - Was 6628742 - A
6808828
BLADE W/Replacement cutting edge
6808775
CUTTING EDGE for 6808828 only
2
6628756
PIN
3
6597461
4
6665618
RING
5
6666549
WASHER
6
10H25
FITTING, GREASE 5
7
12H15
8
6652943
COVER grease fitting
9
CYLINDER See Illustration BLADE CYLINDER/ C3471 - Blade
10
11H15
GREASE FITTING
Выбрано товаров: 0