Качественные детали и логистика
Оригинальные и аналоговые запчасти с доставкой по России, Казахстану и Беларуси
©2022 PartSell ООО "Система" ИНН 2463123282 ОГРН 1212400004838
Центральный офис: г. Красноярск, Академика Киренского, д.87, пом.4
Телефон: 8 (800) 777-65-74 Email: zakaz@partsell.ru
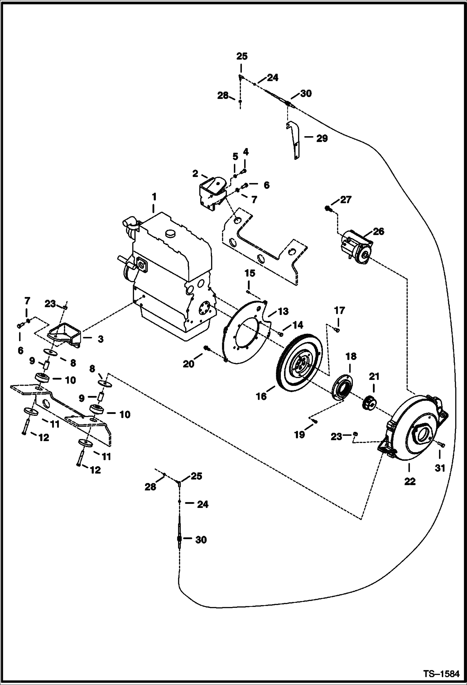
ENGINE MOUNTING, FLYWHEEL & STARTER
№
Артикул
Название
Примечание
Количество
1
ENGINE See BTI388ldr - NLA - V2203 - For Engine Breakdown - Order 6685981 - Was 6704441 - A
2
6589110
MOUNT
3
6589107
4
5CM1025
BOLT
5
6EM100
WASHER
6
6CM1230
7
6EM120
8
6705106
9
6706043
SPACER
10
6661785
MOUNT, ENG
11
6661787
12
1CM1280
13
6801237
PLATE
14
5CM1020
SCREW
15
21JM816
PIN
16
7158136
FLYWHEEL, ENG ASSY See BTI388exc - Was 7102172 - A
6510470
RING GEAR
17
6598275
BOLT Was 6652487 - A
18
6670757
COUPLER
19
3GM820
20
29CM1025
21
6850029
COUPLING Hyd. pump
22
6801360
HOUSING Flywheel
23
53DM12
NUT
24
14D10
25
6644965
BALL JOINT
26
STARTER See Illustration STARTER/ D2437
27
29CM1235
28
62D4
29
6595422
BRACKET Speed cable
30
6660293
CABLE Speed control
31
1CM1235
BOLT Pump Mounting
Выбрано товаров: 0