Запчасти Bobcat 341 SWING CYLINDER HYDRAULIC SYSTEM

Схема запчастей Bobcat 341 - SWING CYLINDER HYDRAULIC SYSTEM
FIT
1:1
100%

Артикул

Название

Примечание

Количество

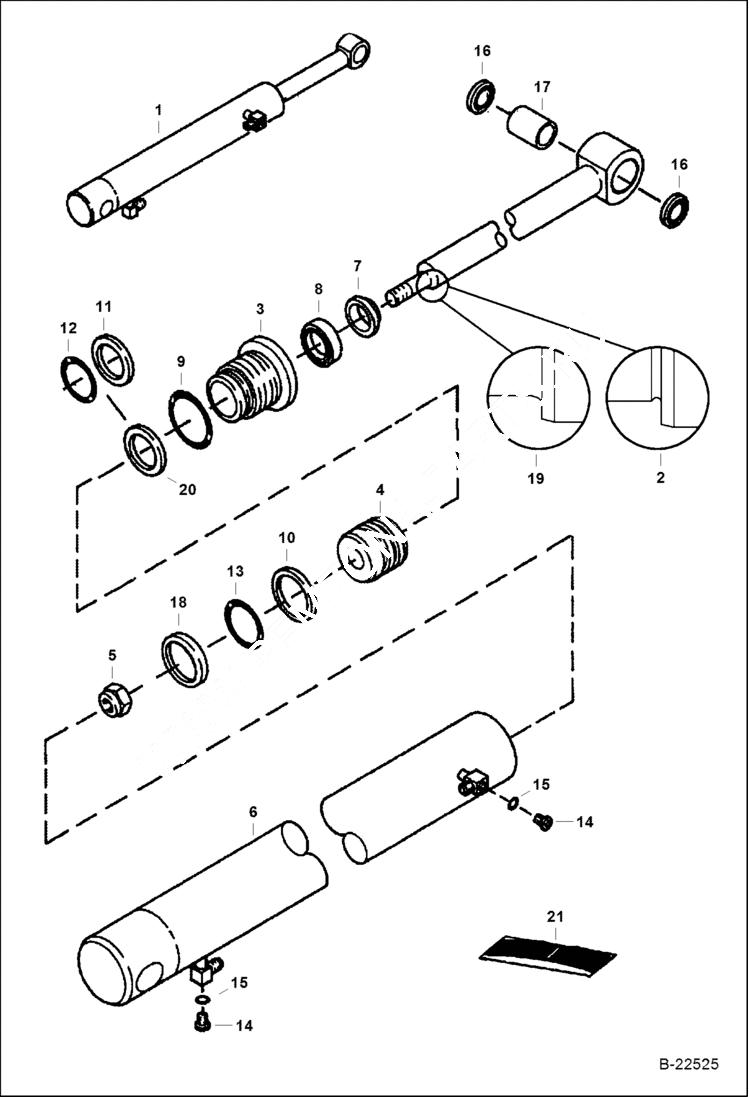
1

CYLINDER See Illustration SWING CYLINDER/ PE2006 NLA - Order 7149984 cylinder - Was 6816008 - A

2

ROD NLA - Order 7147422 rod & 7147313 piston - Also Order Ref. 16 & 17 - Was 6810468 - A

3

HEAD NLA - 1.02'' of threads - order 6818158

4

7147313

PISTON Was 6816010 - A

5

6810540

NUT

6

6816012

HOUSING 1.02'' threads

7

6686998

WIPER, ROD CYL Was 6666545 - A

8

6667328

SEAL

9

82K236

O-RING Was 58K000236B - A

10

6513466

PISTON RG piston

11

73K234

BACK-UP RING back-up - Was 80K234 - A

12

58K234

O RING 10 Was 54K40300 - B

13

25K30226

O RING 10 Was 54K30226 - B

14

6812171

PLUG W/Ref. 15

15

95K6

O'RING

16

6669287

SEAL

17

6815279

BUSHING

18

7000777

RING, WEAR Was 6698179 - A

19

7147422

ROD Also Order Ref. 16 & 17

20

7008354

SEAL, QUAD

21

7137577

SEAL KIT Ref. 5, 7-11, 13, & 20 - Was 6810720 - A

Выбрано товаров: 0