Запчасти Bobcat 341 OIL PIPE (Kubota - V2003T) (Turbo Charger) POWER UNIT

Схема запчастей Bobcat 341 - OIL PIPE (Kubota - V2003T) (Turbo Charger) POWER UNIT
FIT
1:1
100%

Артикул

Название

Примечание

Количество

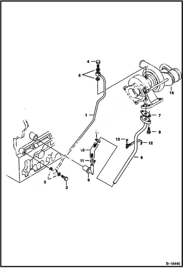
1

6675677

PIPE

2

7022765

BOLT, EYE Was 6680791 - A

3

3974095

MET-GASK

4

6675625

BOLT, EYE JOINT eye

5

7000642

WASHER, SEALING COPPER consists of 2 gaskets attached by a tab - Was 6685962 - B

6

PIPE NLA - Order 7010622 pipe and (2) 4CM614 bolt - Was 6675678 - A

7

6680570

GASKET oil return tube - Was 6675626 - A

8

1CM620

BOLT Was 4CM620 - A

8

6652580

BOLT

9

6675630

PIPE ASSY, OIL

9

6684884

PIPE oil

10

6675679

PIPE

11

6675618

CLAMP

12

6685601

CLAMP pipe - Was 6675621 - A

13

6680576

PIN Was 6675683 - A

14

6675676

TURBO See Illustration TURBO CHARGER/ B16439

Выбрано товаров: 16