Запчасти Bobcat 341 HEATER/AIR CONDITIONER BOX (S/N 233311227 & Below & 233211244 & Below) ACCESSORIES & OPTIONS

Схема запчастей Bobcat 341 - HEATER/AIR CONDITIONER BOX (S/N 233311227 & Below & 233211244 & Below) ACCESSORIES & OPTIONS
FIT
1:1
100%

Артикул

Название

Примечание

Количество

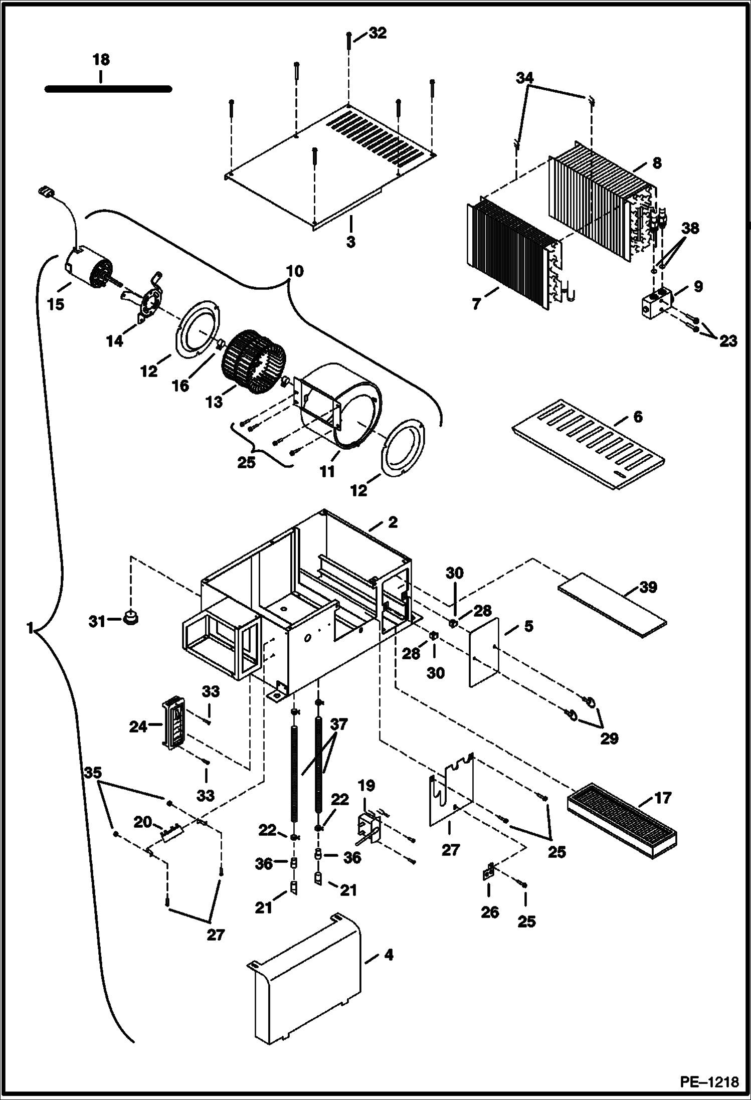
1

6675331

HEATER-A/C assy - Ref. 2 - 38

2

6677538

CASE

3

6677539

COVER

4

6677540

COVER

5

6677541

PLATE

6

6677542

SUPPORT

7

6677543

COIL heater

8

6677565

EVAPORATOR coil

9

6675534

BLOCK, VALVE A/C Was 6676470 - A

10

6677544

BLOWER Ref. 11 - 16 & 25

11

6677545

HOUSING

12

6677546

VENTURI

13

6677547

WHEEL

14

6677548

BRACKET motor

15

6677549

MOTOR

16

6676618

CLIP

17

6674230

FILTER fresh air

18

6677551

HARNESS not shown

19

6676708

THERMOSTAT

20

6677552

RESISTOR

21

6675511

DRAIN VALVE

22

6675510

CLAMP

23

1CM630

BOLT

24

6676713

LOUVER

25

87G510

SCREW

26

6677553

BRACKET

27

6677554

COVER

28

6677555

RECEPTACLE

29

6677556

STUD

30

6677557

RETAINER

31

6677560

PLUG

32

26GM5010

SCREW

33

87G606

SCREW

34

6676539

CLIP

35

43DM5

NUT

36

6677566

CONNECTOR

37

6677567

HOSE

38

7009977

O-RING #8 - Was 6675538 - A

39

6677550

FILTER recirculation

Выбрано товаров: 39